Запчасти Case IH FARMALL 100CL (10.001.030) - ENGINE, SPACER (10) - ENGINE

Схема запчастей Case IH FARMALL 100CL - (10.001.030) - ENGINE, SPACER (10) - ENGINE
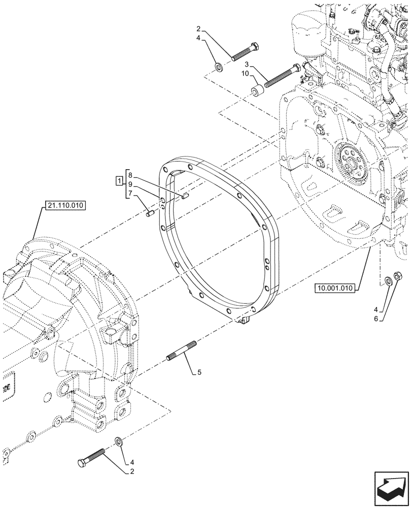
10.001.010
10
7
2
2
3
4
1
4
5
8
6
9
21.110.010
4
FIT
1:1
100%

Артикул

Название

Примечание

Количество

1

47528232

SPACER

ASSY, Incl 7 - 9

1шт.

2

15541334

SCREW,M12 x 1.25 x 75mm, Cl 10.9

6шт.

3

15541831

BOLT,Hex, M12 x 1.25 x 120mm, Cl 10.9

2шт.

4

11198674

BELLEVILLE WASHER,M12 Bolt Size x 24mm OD x 3.2mm Thk

10шт.

5

47550323

STUD,M12 x 1.25 x 75mm, Cl 10.9

M12 x 1.25 x 75mm

4шт.

6

16101524

NUT,M12 x 1.25, Cl 10

4шт.

7

4988170

PIN,10mm OD x 20mm L

2шт.

8

14606470

LOCK PIN,Slotted Spring, M8 x 20.00mm

1шт.

9

NSS

NOT SOLD SEPARAT

Spacer, Incl in 1

1шт.

10

87475733

SPACER,12.7mm ID x 26.9mm OD x 10mm L

1шт.

Выбрано товаров: 0