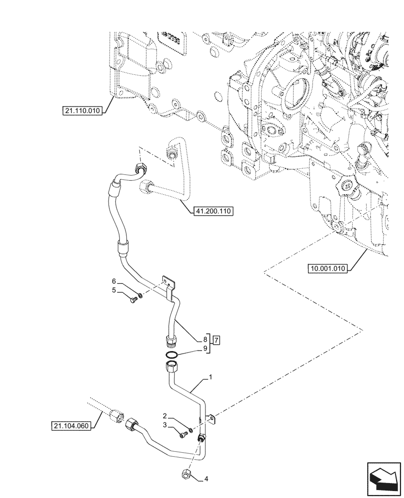
Запчасти Case IH FARMALL 100CL (41.200.030) - VAR - 744833, 759013 - OIL FILTER, STEERING, LINES, LOM (41) - STEERING

Схема запчастей Case IH FARMALL 100CL - (41.200.030) - VAR - 744833, 759013 - OIL FILTER, STEERING, LINES, LOM (41) - STEERING
10.001.010
8
5
1
4
3
2
6
9
21.110.010
21.104.060
7
41.200.110
FIT
1:1
100%

Артикул

Название

Примечание

Количество

1

48090040

From Front Lift

PIPE

1шт.

2

14499401

WASHER,8.4mm ID x 14mm OD x 1.6mm Thk

1шт.

3

14306231

HEX SOC SCREW,M8 x 1.25 x 16mm, Cl 10.9, Full Thd

1шт.

4

9625546

CAP,11/16" - 16 ORFS

1шт.

5

16043124

SCREW,Hex, M8 x 1.25 x 14mm, Cl 8.8, Full Thd

1шт.

6

11198074

BELLEVILLE WASHER,M8 Bolt Size x 15mm OD x 1.8mm Thk

1шт.

7

48011717

PIPE

ASSY, Retur to Steering, Incl 8, 9

1шт.

8

NSS

NOT SOLD SEPARAT

Pipe, Incl in 7

1шт.

9

5185512

O-RING,0.07" Thk x 0.614" ID, -16, Cl 6, 90 Duro

1шт.

Выбрано товаров: 9