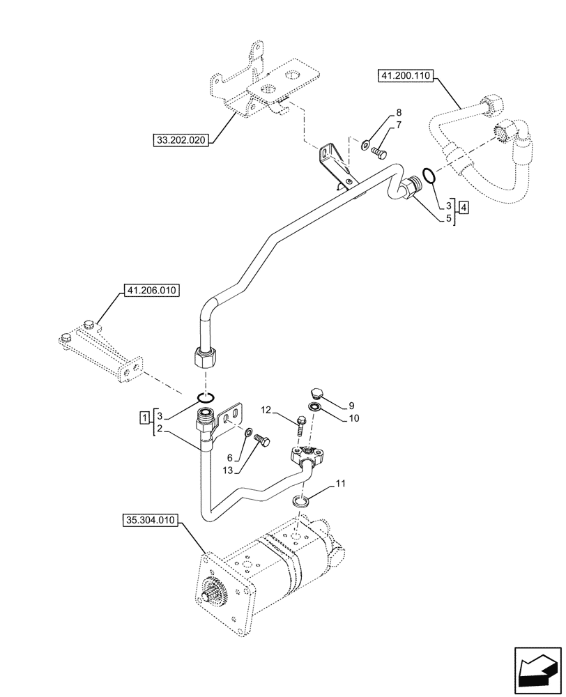
Запчасти Case IH FARMALL 100CL (41.206.020) - VAR - 759003 - POWER STEERING PUMP, LINES (41) - STEERING

Схема запчастей Case IH FARMALL 100CL - (41.206.020) - VAR - 759003 - POWER STEERING PUMP, LINES (41) - STEERING
41.200.110
7
6
3
8
4
2
12
1
10
13
9
11
3
33.202.020
5
41.206.010
35.304.010
FIT
1:1
100%

Артикул

Название

Примечание

Количество

1

47712908

PIPE

ASSY, Incl 2, 3 (Qty 1)

1шт.

2

NSS

NOT SOLD SEPARAT

Upper Pipe, Incl in 1

1шт.

3

5185512

O-RING,0.07" Thk x 0.614" ID, -16, Cl 6, 90 Duro

2шт.

4

47773422

PIPE

ASSY, Incl 3 (Qty 1), 5

1шт.

5

NSS

NOT SOLD SEPARAT

Lower Pipe, Incl in 4

1шт.

6

11198074

BELLEVILLE WASHER,M8 Bolt Size x 15mm OD x 1.8mm Thk

1шт.

7

10902214

SCREW,Hex, M6 x 16mm

1шт.

8

11188074

BELLEVILLE WASHER,M6 Bolt Size x 12mm OD x 1.2mm Thk

1шт.

9

10300511

PLUG,M12 x 1.5 x 12, Cl5.8

1шт.

10

5183780

SEALING WASHER,9.73mm ID x 18mm OD x 1.5mm Thk

1шт.

11

87335172

SEALING RING,19mm ID x 26mm OD x 3mm Thk

1шт.

12

14305521

HEX SOC SCREW,M6 x 30mm, Cl 8.8, Full Thd

2шт.

13

16043424

SCREW,Hex, M8 x 1.25 x 20mm, Cl 8.8, Full Thd

1шт.

Выбрано товаров: 13