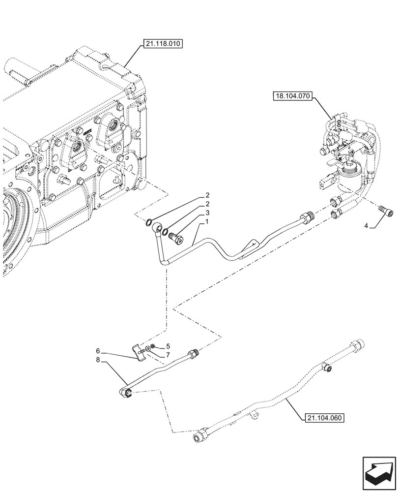
Запчасти Case IH FARMALL 110CL (18.104.060) - VAR - 759018 - PTO CLUTCH, CONTROL, LINES (18) - CLUTCH

Схема запчастей Case IH FARMALL 110CL - (18.104.060) - VAR - 759018 - PTO CLUTCH, CONTROL, LINES (18) - CLUTCH
18.104.070
1
5
2
6
8
4
3
7
2
21.118.010
21.104.060
FIT
1:1
100%

Артикул

Название

Примечание

Количество

1

48084457

Return PTO Control

PIPE

1шт.

2

10261160

SEALING WASHER,M14.2 x 18 x 1.5, Copper

2шт.

3

84543729

BANJO BOLT,Hex, M14 x 1.4 x 27mm, M8 x 1 on head

1шт.

4

14331124

SCREW,M12 x 1.25 x 30mm, Cl 8.8, Full DAC

2шт.

5

15896221

NUT,Hex, M6, 5.20mm High, Cl 10

1шт.

6

48087392

BRACKET

1шт.

7

11193274

BELLEVILLE WASHER,M6 Bolt Size x 15mm OD x 1.2mm Thk

1шт.

8

48087390

PTO Lines

PIPE

1шт.

Выбрано товаров: 8