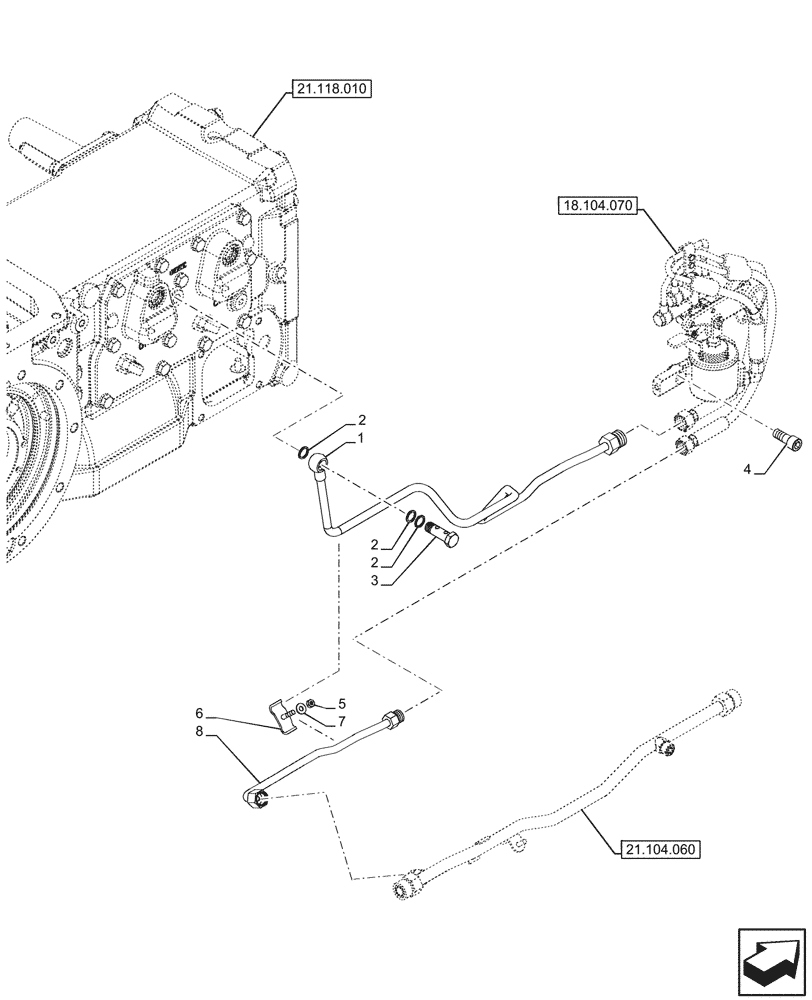
Запчасти Case IH FARMALL 110CL (18.104.130) - VAR - 743522, 759019 - PTO CLUTCH, CONTROL, LINES (18) - CLUTCH

Схема запчастей Case IH FARMALL 110CL - (18.104.130) - VAR - 743522, 759019 - PTO CLUTCH, CONTROL, LINES (18) - CLUTCH
18.104.070
6
1
3
2
7
2
5
2
21.118.010
21.104.060
4
8
FIT
1:1
100%

Артикул

Название

Примечание

Количество

1

48084457

PIPE

1шт.

2

10261160

SEALING WASHER,M14.2 x 18 x 1.5, Copper

3шт.

3

47696420

MANIFOLD

1шт.

4

14331124

SCREW,M12 x 1.25 x 30mm, Cl 8.8, Full DAC

2шт.

5

15896221

NUT,Hex, M6, 5.20mm High, Cl 10

1шт.

6

48087392

BRACKET

1шт.

7

11193274

BELLEVILLE WASHER,M6 Bolt Size x 15mm OD x 1.2mm Thk

1шт.

8

48087390

PTO Lines

PIPE

1шт.

Выбрано товаров: 8