Запчасти Case IH FARMALL 110CL (18.104.140) - VAR - 743522, 759019 - PTO CLUTCH, CONTROL, LINES (18) - CLUTCH

Схема запчастей Case IH FARMALL 110CL - (18.104.140) - VAR - 743522, 759019 - PTO CLUTCH, CONTROL, LINES (18) - CLUTCH
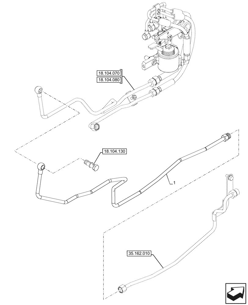
18.104.080
1
18.104.070
18.104.130
35.162.010
FIT
1:1
100%

Артикул

Название

Примечание

Количество

1

48090874

Return from Front Lift

PIPE

1шт.

Выбрано товаров: 1