Запчасти Case IH FARMALL 110CL (21.134.180) - VAR - 759007 - POWERSHUTTLE, TRANSMISSION CONTROL VALVE, CREEPER, HI-LO (21) - TRANSMISSION

Схема запчастей Case IH FARMALL 110CL - (21.134.180) - VAR - 759007 - POWERSHUTTLE, TRANSMISSION CONTROL VALVE, CREEPER, HI-LO (21) - TRANSMISSION
21.134.200
6
10
13
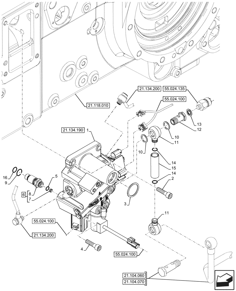
1
14
4
12
10
15
11
8
2
5
7
9
16
14
11
21.118.010
21.104.060
3
55.024.100
55.024.100
55.024.100
55.024.135
21.104.070
21.134.190
21.134.200
FIT
1:1
100%

Артикул

Название

Примечание

Количество

1

47928358

VALVE

1шт.

2

14307724

HEX SOC SCREW,M10 x 1.25 x 40mm, Cl 8.8, Full Thd

2шт.

3

5168241

SEAL,22mm ID x 32mm OD x 9mm Thk

1шт.

4

14307624

HEX SOC SCREW,M10 x 1.25 x 35mm, Cl 8.8, Full Thd

2шт.

5

14456880

O-RING,0.103" Thk x 0.362" ID, -110, Cl 5, 75 Duro

2шт.

6

5177578

HYD CONNECTOR

ASSY, Incl 7, 8

2шт.

7

5176125

VALVE SEAT,3.5mm ID x 8mm OD

2шт.

8

NSS

NOT SOLD SEPARAT

Union, Incl in 6

2шт.

9

14437785

O-RING,11.3mm ID x 2.4mm

2шт.

10

10259960

SEAL,Rectangular, 18.30mm ID x 24.00mm OD x 1.50mm, Copper

2шт.

11

5173682

BANJO BOLT,M9 x 30mm

2шт.

12

47439020

BANJO BOLT,Hex, M12/18 x 1.5 x 35mm

1шт.

13

5183780

SEALING WASHER,9.73mm ID x 18mm OD x 1.5mm Thk

1шт.

14

14456980

O-RING,10.77mm ID x 2.62mm

1шт.

15

5173681

RIGID TUBE

Pressure

1шт.

16

5174041

O-RING,2.62mm Thk x 13.1mm ID, 70 Duro

2шт.

Выбрано товаров: 16