Запчасти Case IH FARMALL 110CL (21.148.060) - VAR - 330273, 743381, 743508, 743509 - TRANSMISSION, INTERNAL, SHIFTER FORK, CONTROLS, SHUTTLE (21) - TRANSMISSION

Схема запчастей Case IH FARMALL 110CL - (21.148.060) - VAR - 330273, 743381, 743508, 743509 - TRANSMISSION, INTERNAL, SHIFTER FORK, CONTROLS, SHUTTLE (21) - TRANSMISSION
7
26
9
6
11
20
10
19
23
22
18
22
8
14
18
1
13
12
26
25
5
10
15
13
24
3
24
4
16
15
3
2
17
21
25
21.118.010
FIT
1:1
100%

Артикул

Название

Примечание

Количество

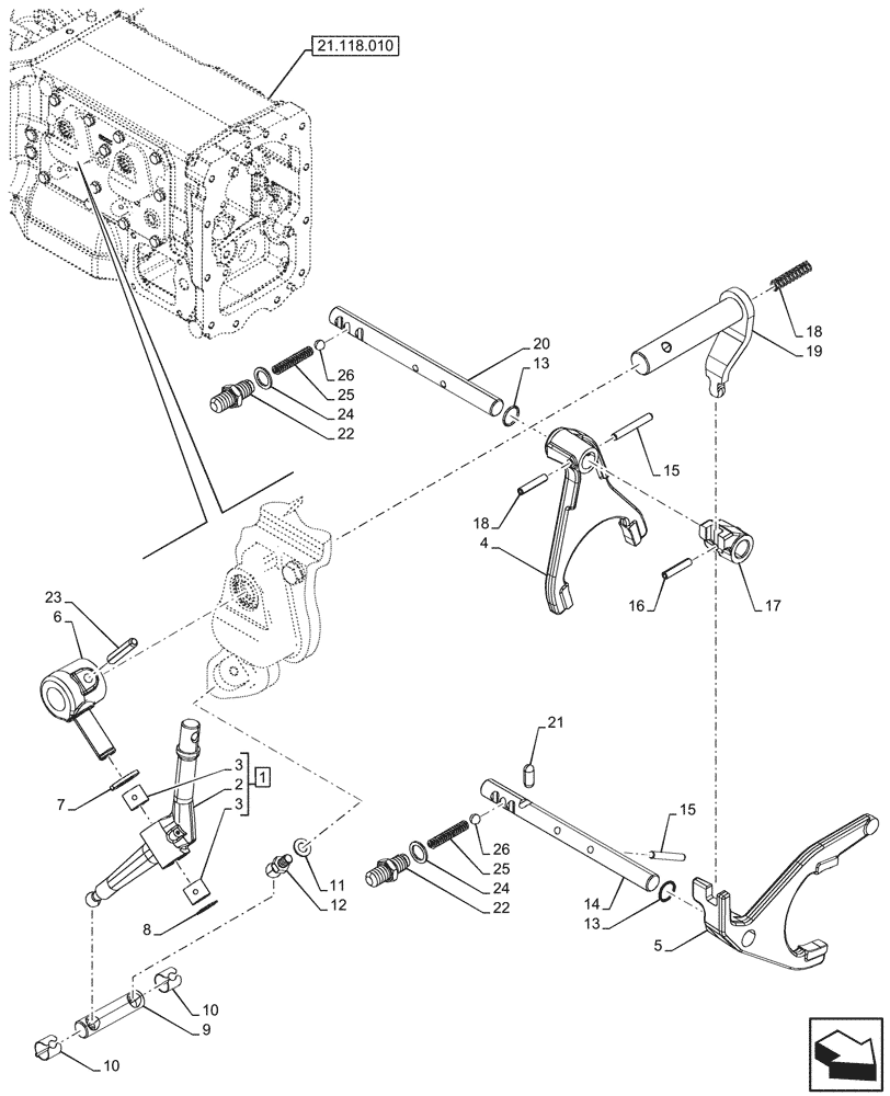
1

87319899

LEVER

ASSY, Incl 2, 3

1шт.

2

NSS

NOT SOLD SEPARAT

Lever, Incl in 1

1шт.

3

5165609

BUSHING,16.04mm ID x 18mm OD x 15mm L

2шт.

4

5168283

YOKE,16mm Hole Dia

Low and Average High Control

1шт.

5

5168281

YOKE,16mm Hole Dia

Speed and Average Low Control

1шт.

6

5168293

HUB

1шт.

7

10520207

WASHER,M16 x 28 x 3

1шт.

8

11066476

SNAP RING,M16, Ext

1шт.

9

5168295

TIE-ROD,2x13mm ID x 16mm OD x 70mm L

1шт.

10

10125576

CLIP

2шт.

11

11193874

BELLEVILLE WASHER,M8 Bolt Size x 16mm OD x 1.4mm Thk

1шт.

12

5166895

BALL STUD,M8

1шт.

13

14453380

O-RING,0.07" Thk x 0.614" ID, -16, Cl 5, 75 Duro

2шт.

14

5174726

ROD

1шт.

15

10337110

DOWEL,M6 x 45

2шт.

16

13942570

ROLL PIN,M6 x 30mm

2шт.

17

5168284

DOG

1шт.

18

5157487

SPRING,9.5mm OD x 44mm L

1шт.

19

5171882

ROD,65mm L

1шт.

20

5171832

SHAFT

1шт.

21

5149882

PAWL,8.5mm D x 23mm L

1шт.

22

5178190

PLUG,Hex, M14 x 1.5

2шт.

23

14607370

ROLL PIN,M8 x 45, Slotted

1шт.

24

10280060

SEAL,M14.2 x 20 x 1.5

2шт.

25

5168268

SPRING,Compression, 8mm OD x 42mm L

2шт.

26

20063390

BALL,8.73mm OD

2шт.

Выбрано товаров: 0