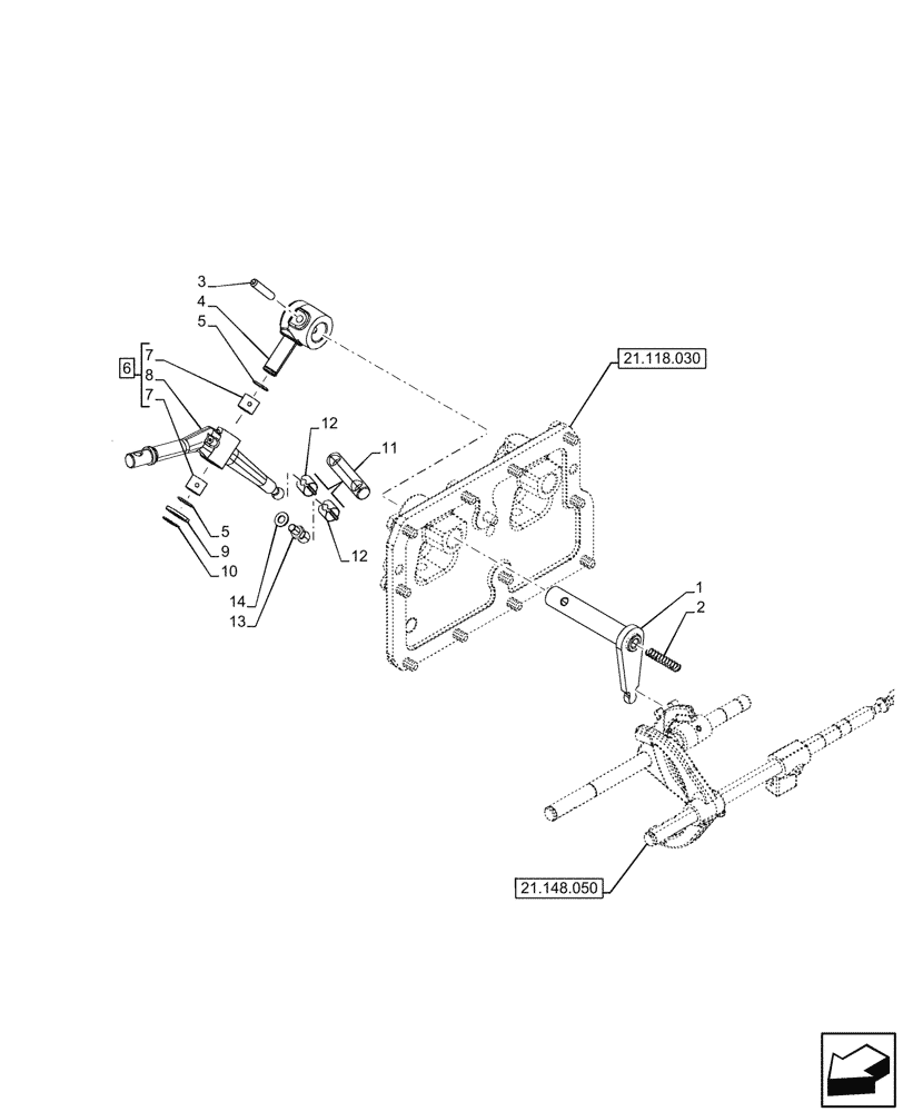
Запчасти Case IH FARMALL 110CL (21.148.090) - VAR - 330111, 743548 - TRANSMISSION CONTROL, LINKAGE, SPLITTER, W/O CREEPER (21) - TRANSMISSION

Схема запчастей Case IH FARMALL 110CL - (21.148.090) - VAR - 330111, 743548 - TRANSMISSION CONTROL, LINKAGE, SPLITTER, W/O CREEPER (21) - TRANSMISSION
21.148.050
12
11
8
7
1
12
5
5
4
3
2
14
13
6
10
9
7
21.118.030
FIT
1:1
100%

Артикул

Название

Примечание

Количество

1

5171926

ROD,89mm L

1шт.

2

5157487

SPRING,9.5mm OD x 44mm L

1шт.

3

14607370

ROLL PIN,M8 x 45, Slotted

1шт.

4

5168293

HUB

1шт.

5

14453380

O-RING,0.07" Thk x 0.614" ID, -16, Cl 5, 75 Duro

2шт.

6

87319899

LEVER

ASSY, Incl 7, 8

1шт.

7

5165609

BUSHING,16.04mm ID x 18mm OD x 15mm L

1шт.

8

NSS

NOT SOLD SEPARAT

Lever, Incl in 6

1шт.

9

10520207

WASHER,M16 x 28 x 3

2шт.

10

11066476

SNAP RING,M16, Ext

1шт.

11

5168295

TIE-ROD,2x13mm ID x 16mm OD x 70mm L

1шт.

12

10125576

CLIP

2шт.

13

5166895

BALL STUD,M8

1шт.

14

11193874

BELLEVILLE WASHER,M8 Bolt Size x 16mm OD x 1.4mm Thk

1шт.

Выбрано товаров: 14