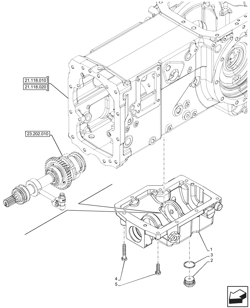
Запчасти Case IH FARMALL 110CL (21.200.030) - VAR - 759007 - TRANSMISSION, DROP BOX, SHUTTLE, POWERSHUTTLE, 4WD (21) - TRANSMISSION

Схема запчастей Case IH FARMALL 110CL - (21.200.030) - VAR - 759007 - TRANSMISSION, DROP BOX, SHUTTLE, POWERSHUTTLE, 4WD (21) - TRANSMISSION
23.202.010
3
2
5
4
1
21.118.020
21.118.010
FIT
1:1
100%

Артикул

Название

Примечание

Количество

1

5192684

HOUSING

1шт.

2

5151213

PLUG,M35 x 1.5

1шт.

3

10265160

SEALING WASHER,35.4mm ID x 41mm OD x 1.5mm Thk

1шт.

4

11288024

BOLT,Hex, M10 x 1.25 x 60mm, Cl 8.8

3шт.

5

15970924

SCREW,Hex, M10 x 1.25 x 35mm, Cl 8.8

5шт.

Выбрано товаров: 5