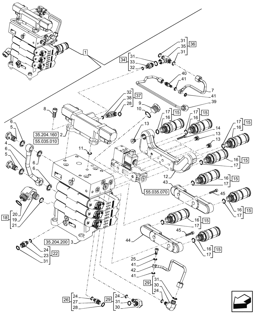
Запчасти Case IH FARMALL 110CL (35.204.060) - VAR - 759025 - 3 REMOTE CONTROL VALVES, ELECTRO-HYDRAULIC, COMPONENTS, CAB (35) - HYDRAULIC SYSTEMS

Схема запчастей Case IH FARMALL 110CL - (35.204.060) - VAR - 759025 - 3 REMOTE CONTROL VALVES, ELECTRO-HYDRAULIC, COMPONENTS, CAB (35) - HYDRAULIC SYSTEMS
55.035.070
3
25
44
30
17
14
15
13
31
41
7
15
17
8
6
16
32
15
28
13
24
11
29
5
24
33
39
19
6
29
1
6
42
16
24
22
17
16
34
30
45
15
31
32
35
10
45
9
16
24
37
41
15
13
5
28
16
15
2
26
16
27
31
20
15
15
31
18
4
12
16
17
43
23
16
17
17
17
31
31
40
6
38
21
41
36
41
17
35.204.200
35.204.160
55.035.010
FIT
1:1
100%

Артикул

Название

Примечание

Количество

1

NS

NOT SERVICED

DISTRIBUTOR, ASSY, Incl 2 - 45

1шт.

Serviced Through Components

1шт.

See also Distributor Components in Figures 35.204.930, 55.035.070

1шт.

2

82011395

HYDRAULIC VALVE

ASSY, Draft

1шт.

3

47969639

DISTRIBUTOR

ASSY

1шт.

4

47657340

PIPE

Delivery Pipe, from Remote to Lift

1шт.

5

5184345

BANJO BOLT,M18 x 1.5 x 34mm

2шт.

6

5186176

SEALING WASHER,15.80mm ID x 26.92mm OD x 1.50mm, Steel, Zinc

4шт.

7

47657707

PIPE

from Distributor to Diverter

1шт.

8

81864028

HEX SOC SCREW,7/16" - 14 x 1", Gr 8

4шт.

9

83957506

PLUG,3/4"

1шт.

10

167266

O-RING,0.116" Thk x 0.924" ID, -912, Cl 6, 90 Duro

1шт.

11

272344

O-RING,0.103" Thk x 0.487" ID, -112, Cl 6, 90 Duro

1шт.

12

47666703

HYDRAULIC MANIFOLD

Diverter

1шт.

13

10118611

PLUG,M12 x 1.5 x 15.00mm, Cl 5.8

3шт.

14

14305821

HEX SOC SCREW,M6 x 40mm, Cl 8.8

6шт.

15

5179558

COUPLING, QUICK, FEM,Hex, M22 x 1.5 x 110.8mm L

ASSY, Incl 16, 17

8шт.

16

NSS

NOT SOLD SEPARAT

Coupling, Incl in 15

8шт.

17

14438085

O-RING,19.3mm ID x 2.4mm

16шт.

18

86579695

90 ELBOW,90 Degree, 1-3/16"-12 ORFS x M22 x 1.5 ORB

ASSY, Incl 19 - 21

1шт.

19

NSS

NOT SOLD SEPARAT

Elbow 90°, Incl in 18

1шт.

20

9991976

O-RING,0.07" Thk x 0.739" ID, -18, Cl 6, 90 Duro

1шт.

21

86598102

O-RING,2.2mm Thk x 19.3mm ID, Cl 6, 90 Duro

1шт.

22

86580177

HYD CONNECTOR,11/16"-16 ORFS x M12 x 1.5 ORB

ASSY, Incl 23, 24 (Qty 1), 31 (Qty 1)

1шт.

23

NSS

NOT SOLD SEPARAT

Connector, Incl in 22

1шт.

24

86598098

O-RING,2.2mm Thk x 9.3mm ID, Cl 6, 90 Duro

6шт.

25

5175070

BANJO BOLT,M8 x 1.25 x 24mm

1шт.

26

86593173

HYD CONNECTOR,9/16"-18 ORFS x M12 x 1.5 ORB

ASSY, Incl 24 (Qty 1), 27, 28 (Qty 1)

1шт.

27

NSS

NOT SOLD SEPARAT

Connector, Incl in 26

1шт.

28

9825770

O-RING,0.07" Thk x 0.301" ID, -11, Cl 6, 90 Duro

2шт.

29

86580178

ELBOW,90 Deg, 11/16-16 ORFS x M12 x 1.5 ORB

ASSY, Incl 24 (Qty 4), 30, 31 (Qty 4)

2шт.

30

NSS

NOT SOLD SEPARAT

Elbow 90°, Incl in 29

2шт.

31

9993141

O-RING,0.07" Thk x 0.364" ID, -12, Cl 6, 90 Duro

8шт.

32

165202

O-RING,0.072" Thk x 0.351" ID, -904, Cl 6, 90 Duro

2шт.

33

NSS

NOT SOLD SEPARAT

Connector, Incl in 34

1шт.

34

9840330

HYD CONNECTOR,11/16" - 16 ORFS x 7/16" - 20 ORB

ASSY, Incl 31 (Qty 1), 32 (Qty 1), 33

1шт.

35

NSS

NOT SOLD SEPARAT

Tee, Incl in 36

1шт.

36

86591334

TEE,11/16"-16 ORFS x 11/16"-16 Fem

ASSY, Incl 31 (Qty 2), 35

1шт.

37

87681199

90 ELBOW,Hex, 1/4, 9/16-18, 7/16-20

ASSY, Incl 28 (Qty 1), 32 (Qty 1), 38

1шт.

38

NSS

NOT SOLD SEPARAT

Elbow 90°, Incl in 37

1шт.

39

47657734

PIPE

Line from Diverter to EP

1шт.

40

5179004

HYD CONNECTOR,M8 x 1.5 x 36mm L

1шт.

41

87667800

SEALING WASHER,M8

4шт.

42

47657376

PIPE

Diverter Discharge

1шт.

43

47633638

HYDRAULIC MANIFOLD

Higher

1шт.

44

47633634

HYDRAULIC MANIFOLD

Lower

1шт.

45

47129474

HEX SOC SCREW,M6 x 35mm

8шт.

Выбрано товаров: 47