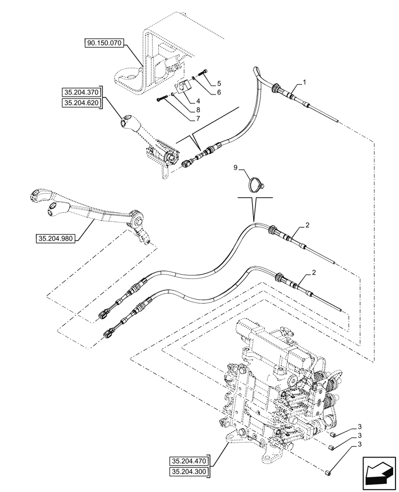
Запчасти Case IH FARMALL 110CL (35.204.560) - VAR - 759023, 759024 - 3 REMOTE CONTROL VALVES, CONTROL LEVER, CAB (35) - HYDRAULIC SYSTEMS

Схема запчастей Case IH FARMALL 110CL - (35.204.560) - VAR - 759023, 759024 - 3 REMOTE CONTROL VALVES, CONTROL LEVER, CAB (35) - HYDRAULIC SYSTEMS
35.204.370
2
3
2
9
4
3
1
6
5
7
8
3
35.204.470
35.204.300
35.204.620
35.204.980
90.150.070
FIT
1:1
100%

Артикул

Название

Примечание

Количество

1

47931829

REMOTE CONTROL

1шт.

2

47931833

REMOTE CONTROL

2шт.

3

82012528

NUT,Hex, M6 x 1

PTO Cable Adjust

3шт.

4

47845190

BRACKET

1шт.

5

87016469

HEX SOC SCREW,M5 x 25mm, Cl 8.8

2шт.

6

86625261

WASHER,5.5mm ID x 10mm OD x 1mm Thk

2шт.

7

10978724

SCREW,M5 x 45mm

M5 x 45mm

1шт.

8

10571474

LOCK WASHER,5.10mm ID x 9.20mm OD x 1.20mm, C72, DAC

1шт.

9

14560087

CABLE TIE,103mm, Black

1шт.

Выбрано товаров: 9