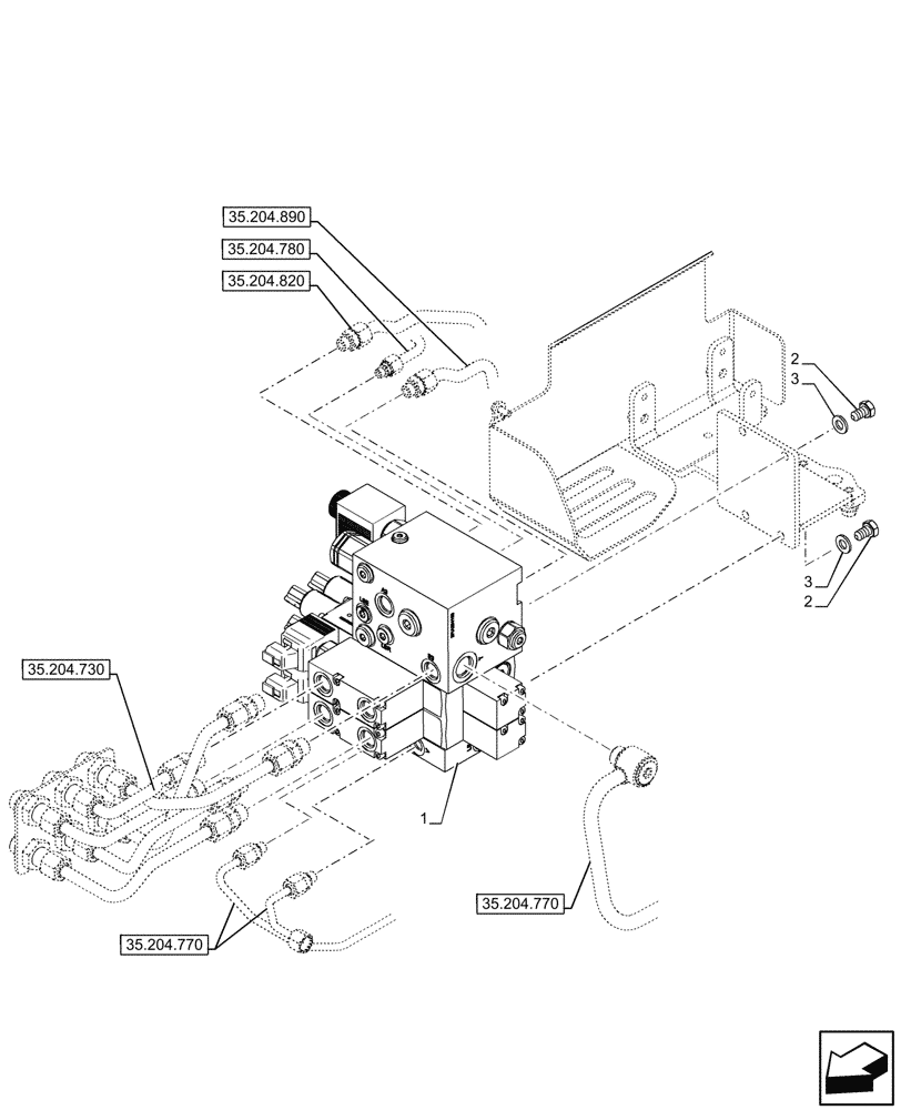
Запчасти Case IH FARMALL 110CL (35.204.710) - VAR - 759021 - MID-MOUNT CONTROL VALVE, 80LPM, CAB (35) - HYDRAULIC SYSTEMS

Схема запчастей Case IH FARMALL 110CL - (35.204.710) - VAR - 759021 - MID-MOUNT CONTROL VALVE, 80LPM, CAB (35) - HYDRAULIC SYSTEMS
35.204.770
2
2
1
3
3
35.204.820
35.204.890
35.204.780
35.204.730
35.204.770
FIT
1:1
100%

Артикул

Название

Примечание

Количество

1

48095849

MMV 80L

DISTRIBUTOR,MMV 80L

1шт.

2

16043134

BOLT,Hex, M8 x 1.25 x 14mm, Cl 10.9, Full Thd

4шт.

3

11194074

BELLEVILLE WASHER,M8 Bolt Size x 16mm OD x 1.9mm Thk

4шт.

Выбрано товаров: 0