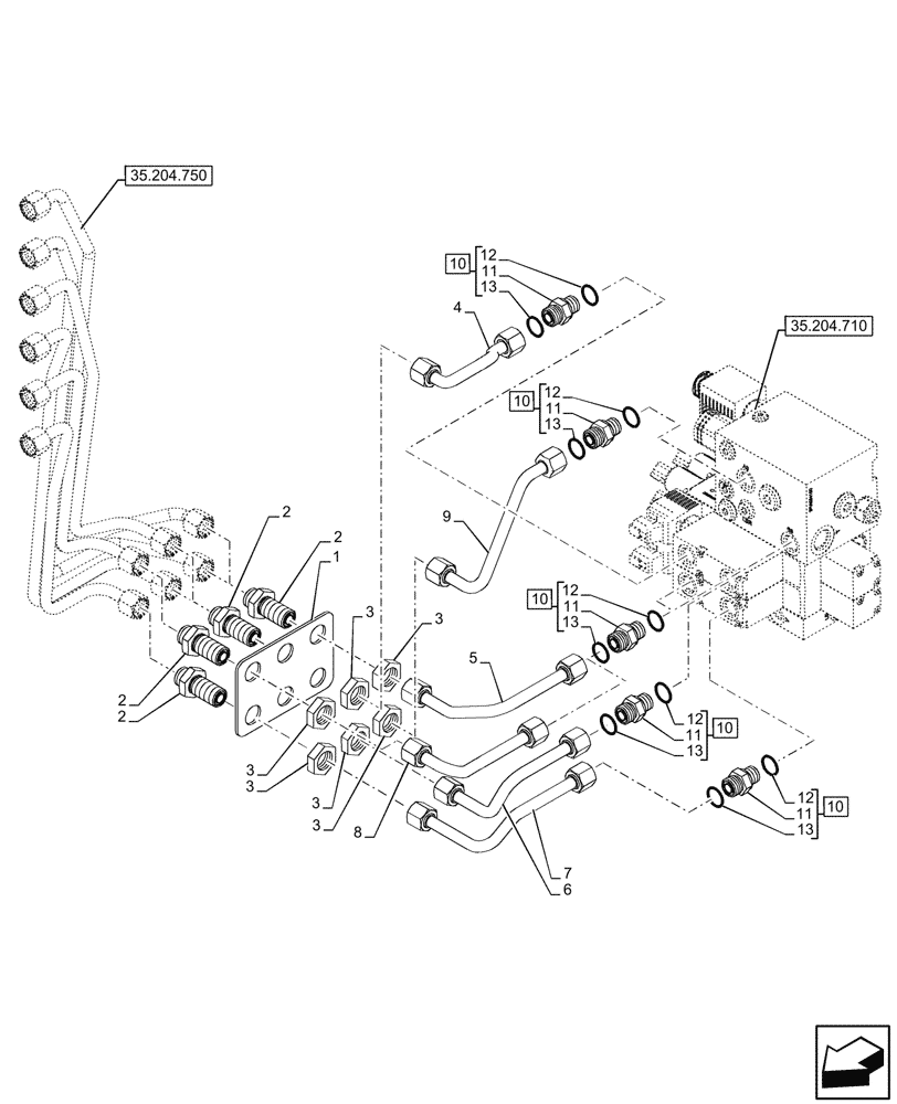
Запчасти Case IH FARMALL 110CL (35.204.740) - VAR - 759021 - MID-MOUNT CONTROL VALVE, LINE, 80LPM, CAB (35) - HYDRAULIC SYSTEMS

Схема запчастей Case IH FARMALL 110CL - (35.204.740) - VAR - 759021 - MID-MOUNT CONTROL VALVE, LINE, 80LPM, CAB (35) - HYDRAULIC SYSTEMS
12
10
10
2
10
2
10
11
13
13
3
3
12
12
7
3
13
5
3
1
11
9
3
11
2
13
6
8
10
4
12
13
12
11
2
11
35.204.750
35.204.710
3
FIT
1:1
100%

Артикул

Название

Примечание

Количество

1

47978671

BRACKET

Black

1шт.

2

86639061

UNION,13/16"-16 ORFS, Bulkhead

6шт.

3

86639083

BHD LOCK NUT,13/16"-16 ORFS, Bulkhead

6шт.

4

47978660

PIPE

Delivery to MMV Quick Coupler

1шт.

5

47978657

PIPE

Delivery to MMV Quick Coupler

1шт.

6

47978663

PIPE

Delivery to MMV Quick Coupler

1шт.

7

47978661

PIPE

Delivery to MMV Quick Coupler

1шт.

8

47978662

PIPE

Delivery to MMV Quick Coupler

1шт.

9

47982883

PIPE

Delivery to MMV Quick Coupler

1шт.

10

86579676

HYD CONNECTOR,13/16" - 16 ORFS x M18 x 1.5 ORB

ASSY, Incl 11 - 13

6шт.

11

NSS

NOT SOLD SEPARAT

Connector, Incl in 10

6шт.

12

9992298

O-RING,0.07" Thk x 0.489" ID, -14, Cl 6, 90 Duro

6шт.

13

86598101

O-RING,2.2mm Thk x 15.3mm ID, Cl 6, 90 Duro

6шт.

Выбрано товаров: 13