Запчасти Case IH FARMALL 110CL (35.204.780) - VAR - 743970 - MID-MOUNT CONTROL VALVE, PIPE, W/ STABILIZER, CAB (35) - HYDRAULIC SYSTEMS

Схема запчастей Case IH FARMALL 110CL - (35.204.780) - VAR - 743970 - MID-MOUNT CONTROL VALVE, PIPE, W/ STABILIZER, CAB (35) - HYDRAULIC SYSTEMS
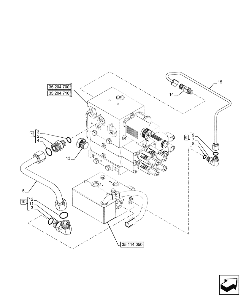
35.204.700
6
13
14
9
3
3
15
10
7
12
11
8
1
5
2
4
35.204.710
35.114.050
FIT
1:1
100%

Артикул

Название

Примечание

Количество

1

86579679

HYD CONNECTOR,1"-14 ORFS x M18 x 1.5 ORB

ASSY, Incl 2, 3 (Qty 1), 4

1шт.

2

NSS

NOT SOLD SEPARAT

Connector, Incl in 1

1шт.

3

9992069

O-RING,0.07" Thk x 0.614" ID, -16, Cl 6, 90 Duro

2шт.

4

86598101

O-RING,2.2mm Thk x 15.3mm ID, Cl 6, 90 Duro

1шт.

5

47974775

PIPE

Delivery to Hydraulic Stabilizer

1шт.

6

84431522

ELBOW,90 Degree, 9/16"-18 ORFS x M12 x 1.5 ORB

ASSY, Incl 7 - 9

1шт.

7

NSS

NOT SOLD SEPARAT

Elbow 90°, Incl in 6

1шт.

8

9825770

O-RING,0.07" Thk x 0.301" ID, -11, Cl 6, 90 Duro

1шт.

9

86598098

O-RING,2.2mm Thk x 9.3mm ID, Cl 6, 90 Duro

1шт.

10

86579694

ELBOW,90 Degree, 1"-14 ORFS x M22 x 1.5 ORB

ASSY, Incl 3 (Qty 1), 11, 12

1шт.

11

NSS

NOT SOLD SEPARAT

Elbow 90°, Incl in 10

1шт.

12

86598102

O-RING,2.2mm Thk x 19.3mm ID, Cl 6, 90 Duro

1шт.

13

87773529

PLUG,Hex, M22 x 1.5

1шт.

14

84204172

45 ELBOW,9/16"-18 ORFS x M12 x 1.5 ORB

1шт.

15

47974765

PIPE

Delivery to Hydraulic Stabilizer

1шт.

Выбрано товаров: 15