Запчасти Case IH FARMALL 110CL (35.204.900) - VAR - 759021 - MID-MOUNT CONTROL VALVE, LINES, W/O STABILIZER, 80LPM, CAB (35) - HYDRAULIC SYSTEMS

Схема запчастей Case IH FARMALL 110CL - (35.204.900) - VAR - 759021 - MID-MOUNT CONTROL VALVE, LINES, W/O STABILIZER, 80LPM, CAB (35) - HYDRAULIC SYSTEMS
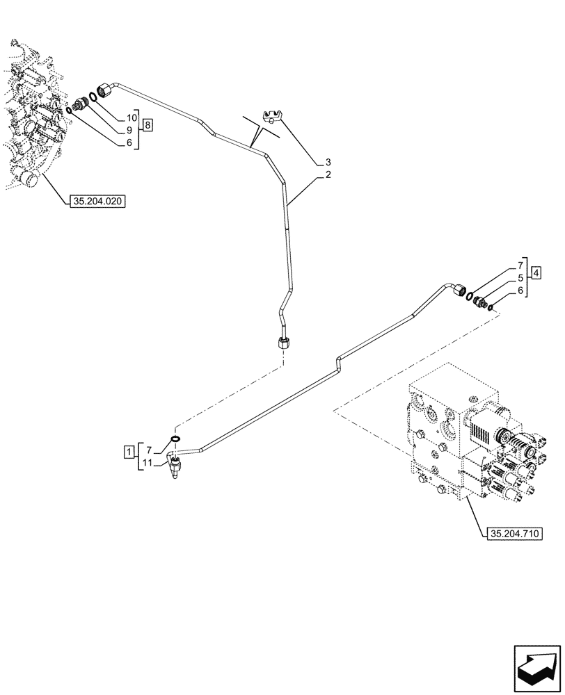
35.204.020
2
6
1
7
10
4
3
6
9
5
7
8
11
35.204.710
FIT
1:1
100%

Артикул

Название

Примечание

Количество

1

48024491

PIPE

ASSY, Mid Mount Valve to Remote, Incl 7 (Qty 1), 11

1шт.

2

48016954

PIPE

From Stabilizer to Remote

1шт.

3

14575480

CLIP

1шт.

4

86593173

HYD CONNECTOR,9/16"-18 ORFS x M12 x 1.5 ORB

ASSY, Incl 5, 6 (Qty 1), 7 (Qty 1)

1шт.

5

NSS

NOT SOLD SEPARAT

Connector, Incl in 4

1шт.

6

86598098

O-RING,2.2mm Thk x 9.3mm ID, Cl 6, 90 Duro

2шт.

7

9825770

O-RING,0.07" Thk x 0.301" ID, -11, Cl 6, 90 Duro

2шт.

8

86580177

HYD CONNECTOR,11/16"-16 ORFS x M12 x 1.5 ORB

ASSY, Incl 6 (Qty 1), 9, 10

1шт.

9

NSS

NOT SOLD SEPARAT

Connector, Incl in 8

1шт.

10

9993141

O-RING,0.07" Thk x 0.364" ID, -12, Cl 6, 90 Duro

1шт.

11

NSS

NOT SOLD SEPARAT

Pipe, Incl in 1

1шт.

Выбрано товаров: 11