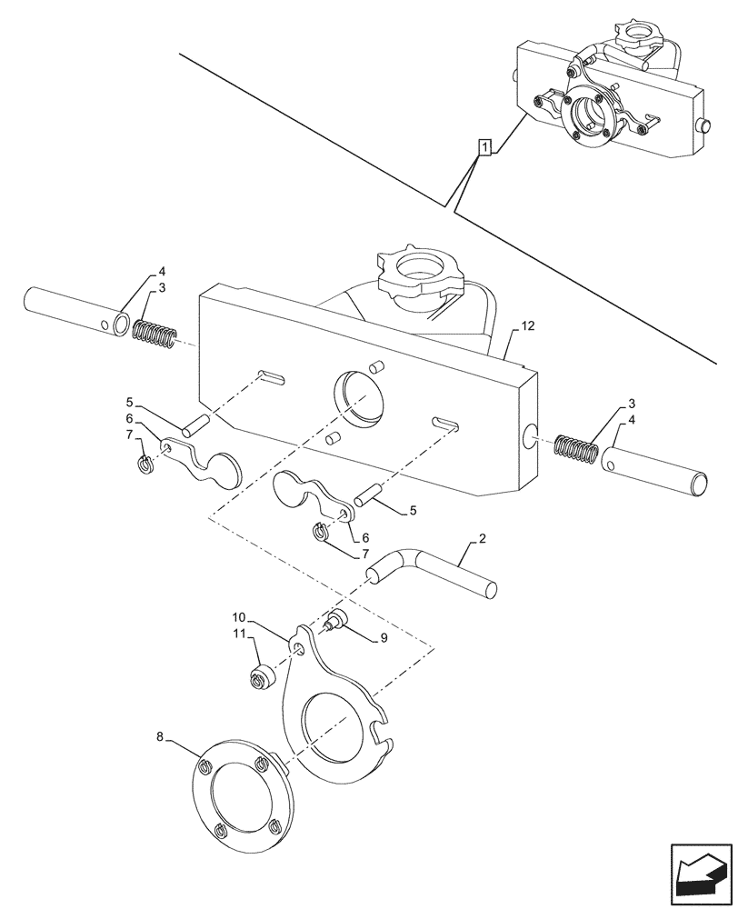
Запчасти Case IH FARMALL 110CL (37.100.110) - VAR - 330897 - TOWING EQUIPMENT, TOW HOOK, COMPONENTS (37) - HITCHES, DRAWBARS & IMPLEMENT COUPLINGS

Схема запчастей Case IH FARMALL 110CL - (37.100.110) - VAR - 330897 - TOWING EQUIPMENT, TOW HOOK, COMPONENTS (37) - HITCHES, DRAWBARS & IMPLEMENT COUPLINGS
2
5
3
9
12
4
7
4
6
5
11
7
1
10
8
3
6
FIT
1:1
100%

Артикул

Название

Примечание

Количество

1

84208879

HOOK

ASSY, Incl 2 - 12

1шт.

2

87576812

LEVER

1шт.

3

87576814

SPRING

2шт.

4

87576815

PIN

1шт.

5

87576816

PIN

6шт.

6

87576817

LINK CONROD

2шт.

7

11065676

SNAP RING,M8, Ext

6шт.

8

87576818

DISC

1шт.

9

5191179

PIN

1шт.

10

5191175

SPRING

1шт.

11

11065576

SNAP RING,M7, Ext

1шт.

12

NSS

NOT SOLD SEPARAT

Tow Hook, Incl in 1

1шт.

Выбрано товаров: 12