Запчасти Case IH FARMALL 110CL (37.100.120) - VAR - 759035 - TOWING EQUIPMENT (37) - HITCHES, DRAWBARS & IMPLEMENT COUPLINGS

Схема запчастей Case IH FARMALL 110CL - (37.100.120) - VAR - 759035 - TOWING EQUIPMENT (37) - HITCHES, DRAWBARS & IMPLEMENT COUPLINGS
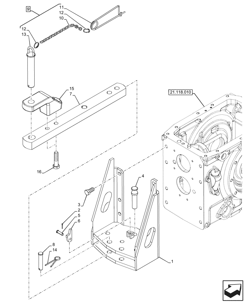
21.118.010
2
13
7
11
8
15
12
14
12
16
9
10
1
6
5
4
3
FIT
1:1
100%

Артикул

Название

Примечание

Количество

1

5199256

SUPPORT

Grey

1шт.

2

10796404

COTTER PIN,M3.2 x 18

M3.2 x 18

1шт.

3

11376224

BOLT,Hex, M16 x 1.5 x 35, 8.8, Full Thd

6шт.

4

5186858

PIN,22mm OD x 114mm L

22mm OD x 114mm L

1шт.

5

5130620

PIN,10mm OD x 34mm L

1шт.

6

5130621

LEVER

1шт.

7

47123842

DRAWBAR,641mm L x 60mm W x 40mm Thk

Grey

1шт.

8

5187029

PIN,18mm OD x 92mm L

18mm OD x 92mm L

2шт.

9

5163732

PIN,32mm OD x 182mm L

ASSY, Incl 10 - 13

1шт.

10

NSS

NOT SOLD SEPARAT

Tow Bar, Incl in 9

1шт.

11

5152004

HAIR PIN COTTER,195mm L

1шт.

12

44901192

SNAP RING,25mm ID

1шт.

13

5155491

PIVOT

1шт.

14

5112606

COTTER PIN,2.5mm OD x 66.5mm L

2шт.

15

5151269

CLEVIS,220mm L x 110mm W x 30mm Thk, 80mm Offset

Grey

1шт.

16

15984731

BOLT,Hex, M18 x 1.5 x 75mm, Cl 10.9

2шт.

Выбрано товаров: 16