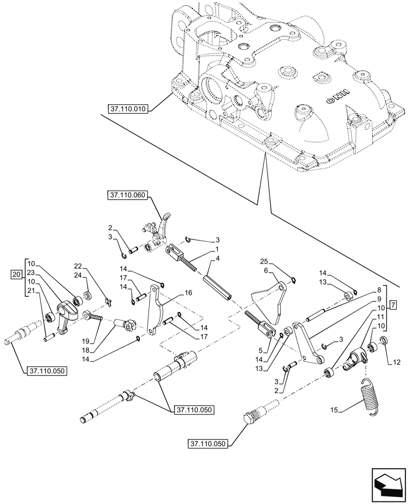
Запчасти Case IH FARMALL 110CL (37.110.070) - VAR - 744833, 759013 - REAR, HYDRAULIC LIFT, CONTROL LEVER, W/ LIFT-O-MATIC PLUS (37) - HITCHES, DRAWBARS & IMPLEMENT COUPLINGS

Схема запчастей Case IH FARMALL 110CL - (37.110.070) - VAR - 744833, 759013 - REAR, HYDRAULIC LIFT, CONTROL LEVER, W/ LIFT-O-MATIC PLUS (37) - HITCHES, DRAWBARS & IMPLEMENT COUPLINGS
24
14
14
13
9
13
22
10
20
8
21
17
23
16
25
10
10
10
3
14
7
1
2
6
17
19
3
5
4
14
18
3
3
15
12
2
14
14
37.110.060
37.110.010
11
37.110.050
37.110.050
37.110.050
FIT
1:1
100%

Артикул

Название

Примечание

Количество

1

10008971

CLEVIS,M8 x 8mm Hole Dia x 90mm L

1шт.

2

10249270

PIN,8mm OD x 22mm L

2шт.

3

11087974

CIRCLIP,Ext., M8, DAC

4шт.

4

10092511

NUT,Adjusting, M8 x 1.25 x 80mm

1шт.

5

11990771

CLEVIS,M8 (LH) x 8mm Hole Dia x 90mm L

1шт.

6

5117143

LEVER

Position Control

1шт.

7

5173357

ARM

ASSY, Incl 8 - 11

1шт.

8

5173361

PIN,8mm OD x 53mm L

1шт.

9

5150257

LEVER

1шт.

10

5109160

ROLLER BEARING,Needle, 14mm ID x 20mm OD x 12mm W

2шт.

11

NSS

NOT SOLD SEPARAT

Control Link, Incl in 7

1шт.

12

5116251

SPACER,14.1mm ID x 19mm OD x 5mm L

1шт.

13

5111028

ROLLER,18mm OD x 10mm L

1шт.

14

11065676

SNAP RING,M8, Ext

6шт.

15

5148884

SPRING,Extension, 28mm OD x 84mm L

1шт.

16

5122497

LEVER

Control

1шт.

17

5113008

PIN,8mm OD x 26mm L

1шт.

18

5173352

CLEVIS,M8 x 1

1шт.

19

5136355

TIE-ROD,M8 x 1, 48mm L

1шт.

20

5193911

LEVER

ASSY, Incl 10, 21 - 23

1шт.

21

5117137

PIN,8mm OD x 29mm L

1шт.

22

11064076

CLIP,M8 x 5 x 0.94mm

1шт.

23

5193910

LEVER

1шт.

24

5143634

SPACER,11.2mm ID x 19mm OD x 5mmL

1шт.

25

11065976

CIRCLIP,M10, Ext

1шт.

Выбрано товаров: 25