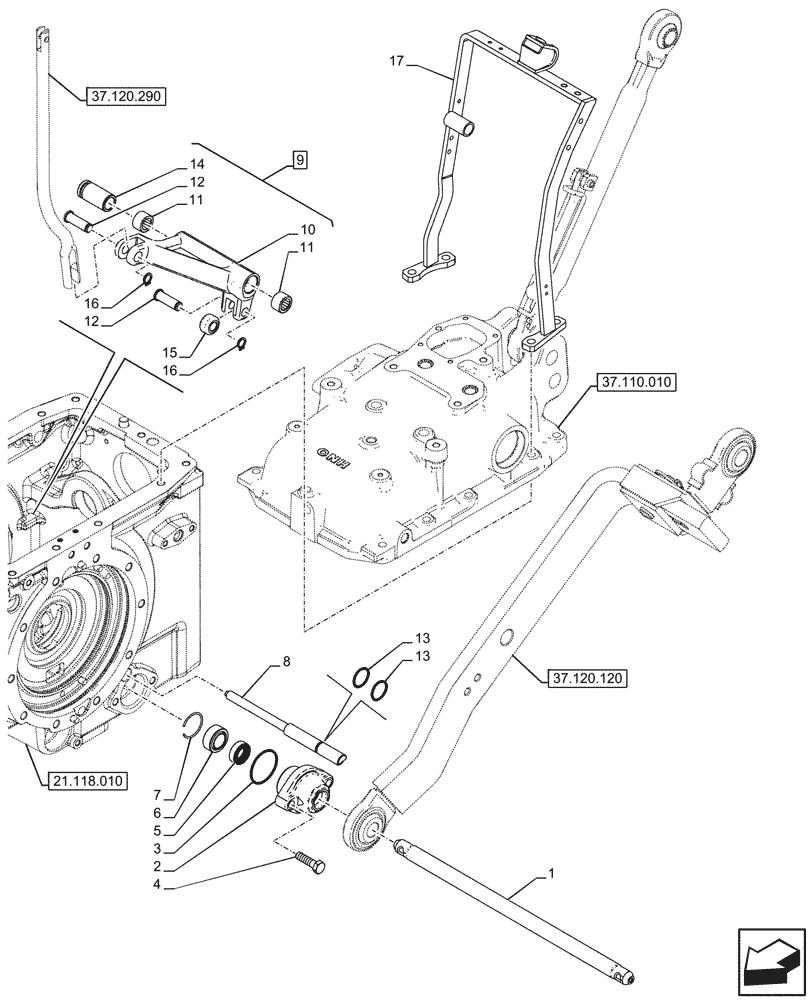
Запчасти Case IH FARMALL 110CL (37.120.010) - VAR - 759011 - REAR, 3 POINT HITCH, LOWER LINK, BAR, CAB (37) - HITCHES, DRAWBARS & IMPLEMENT COUPLINGS

Схема запчастей Case IH FARMALL 110CL - (37.120.010) - VAR - 759011 - REAR, 3 POINT HITCH, LOWER LINK, BAR, CAB (37) - HITCHES, DRAWBARS & IMPLEMENT COUPLINGS
37.120.120
1
11
8
12
13
3
6
11
16
5
4
15
2
12
9
10
17
16
13
7
14
37.120.290
21.118.010
37.110.010
FIT
1:1
100%

Артикул

Название

Примечание

Количество

1

5180482

BAR

1шт.

2

5174686

SUPPORT

2шт.

3

14459780

O-RING,55.24mm ID x 2.62mm Width

2шт.

4

15540724

SCREW,Hex, M12 x 1.25 x 45mm, Cl 8.8

4шт.

5

47129342

SEAL,23.1mm ID x 37mm OD x 12.3mm Thk

2шт.

6

84300729

BUSHING,25mm ID x 42mm OD x 20mm W

2шт.

7

13421876

CIRCLIP,42mm ID x 45 OD

2шт.

8

5130109

PIN,13.5/20mm OD x 259mm L

1шт.

9

5173391

LEVER

ASSY, Incl 10, 11

1шт.

10

NSS

NOT SOLD SEPARAT

Control Lever, Incl in 9

1шт.

11

5109160

ROLLER BEARING,Needle, 14mm ID x 20mm OD x 12mm W

2шт.

12

5109172

PIN,10mm OD x 33mm L

2шт.

13

5115996

O-RING,2.62mm Thk x 15.08mm ID, 80 Duro

2шт.

14

5168405

BUSHING,14mm ID x 20mm OD x 40mm L

1шт.

15

5109156

ROLLER,21mm OD x 12mm L

1шт.

16

11065976

CIRCLIP,M10, Ext

2шт.

17

47701818

SUPPORT

1шт.

Выбрано товаров: 17