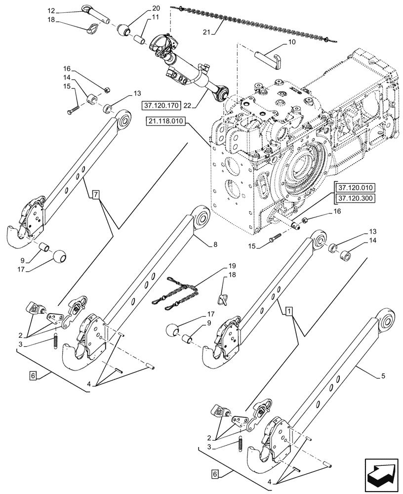
Запчасти Case IH FARMALL 110CL (37.120.160) - VAR - 744480 - REAR, 3 POINT HITCH, LOWER LINK (37) - HITCHES, DRAWBARS & IMPLEMENT COUPLINGS

Схема запчастей Case IH FARMALL 110CL - (37.120.160) - VAR - 744480 - REAR, 3 POINT HITCH, LOWER LINK (37) - HITCHES, DRAWBARS & IMPLEMENT COUPLINGS
37.120.170
3
18
19
17
13
11
6
6
20
14
4
1
2
13
22
15
4
18
17
14
16
10
2
12
9
8
15
9
21
3
21.118.010
37.120.300
37.120.010
16
5
7
FIT
1:1
100%

Артикул

Название

Примечание

Количество

1

5199257

LIFT ARM

ASSY, Incl 2 (Qty 1), 3 (Qty 1), 4 (Qty 1), 5 (Qty 1)

1шт.

2

5189339

KIT

2шт.

3

5189340

SPRING

2шт.

4

5189337

KIT

Spring Pin

2шт.

5

NSS

NOT SOLD SEPARAT

Lower Hook, Incl in 1

1шт.

6

5189331

HOOK

ASSY, Incl 2 (Qty 1), 3 (Qty 1), 4 (Qty 1)

2шт.

7

5199258

LIFT ARM

ASSY, Incl 2 (Qty 1), 3 (Qty 1), 4 (Qty 1), 5 (Qty 1)

1шт.

8

NSS

NOT SOLD SEPARAT

Lower Hook, Incl in 7

1шт.

9

5192619

BUSHING,22mm ID x 28.4mm OD x 35mm L

2шт.

10

5181097

PIN,25.5mm OD x 135mm L

1шт.

11

5134566

BUSHING,19.4mm ID x 25mm OD x 44mm L

1шт.

12

822483

PIN,25.5mm OD x 137mm L

1шт.

13

5131391

SPACER,25.5mm ID x 38mm OD x 15mm L

2шт.

14

5116247

RING,24mm ID x 38.4mm OD x 25mm L

2шт.

15

15888724

BOLT,Hex, M10 x 1.25 x 55mm, Cl 8.8

2шт.

16

12574514

LOCK NUT,M10 x 1.25

2шт.

17

822441

BUSHING,29mm ID x 56mm OD x 44.5mm L

2шт.

18

5166585

LOCK PIN,11mm OD

3шт.

19

5116063

ROPE,4500mm L

1шт.

20

5172480

BALL,25.4mm ID x 50mm OD

1шт.

21

5174395

CABLE,1250mm L, Cat 2, Red Ruby

1шт.

22

84345877

TOP LINK

1шт.

Выбрано товаров: 22