Запчасти Case IH FARMALL 110CL (37.120.300) - VAR - 743524 - REAR, 3 POINT HITCH, LOWER LINK, BAR, W/ LIFT-O-MATIC (37) - HITCHES, DRAWBARS & IMPLEMENT COUPLINGS

Схема запчастей Case IH FARMALL 110CL - (37.120.300) - VAR - 743524 - REAR, 3 POINT HITCH, LOWER LINK, BAR, W/ LIFT-O-MATIC (37) - HITCHES, DRAWBARS & IMPLEMENT COUPLINGS
37.120.130
16
11
7
10
15
14
1
9
18
8
15
2
13
4
3
7
12
6
14
12
17
8
37.120.280
21.118.010
37.110.010
5
37.120.130
FIT
1:1
100%

Артикул

Название

Примечание

Количество

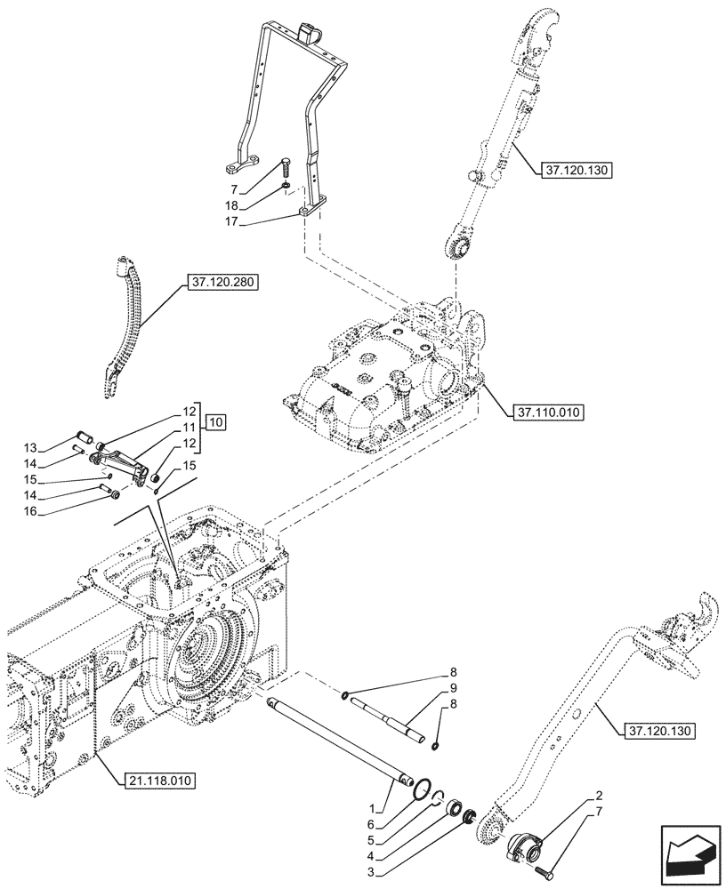
1

5180482

BAR

1шт.

2

5174686

SUPPORT

2шт.

3

47129342

SEAL,23.1mm ID x 37mm OD x 12.3mm Thk

2шт.

4

84300729

BUSHING,25mm ID x 42mm OD x 20mm W

2шт.

5

13421876

CIRCLIP,42mm ID x 45 OD

2шт.

6

14459780

O-RING,55.24mm ID x 2.62mm Width

2шт.

7

15540724

SCREW,Hex, M12 x 1.25 x 45mm, Cl 8.8

5шт.

8

5115996

O-RING,2.62mm Thk x 15.08mm ID, 80 Duro

2шт.

9

5130109

PIN,13.5/20mm OD x 259mm L

1шт.

10

5173391

LEVER

ASSY, Incl 11, 12

1шт.

11

NSS

NOT SOLD SEPARAT

Control Lever, Incl in 10

1шт.

12

5109160

ROLLER BEARING,Needle, 14mm ID x 20mm OD x 12mm W

2шт.

13

5168405

BUSHING,14mm ID x 20mm OD x 40mm L

1шт.

14

5109172

PIN,10mm OD x 33mm L

2шт.

15

11065976

CIRCLIP,M10, Ext

2шт.

16

5109156

ROLLER,21mm OD x 12mm L

1шт.

17

87563740

BRACKET

1шт.

18

13507401

WASHER,12.2mm ID x 20mm OD x 2mm Thk

1шт.

Выбрано товаров: 0