Запчасти Case IH FARMALL 110CL (39.140.030) - VAR - 338243 - FRONT, BALLAST (148 KG) (39) - FRAMES AND BALLASTING

Схема запчастей Case IH FARMALL 110CL - (39.140.030) - VAR - 338243 - FRONT, BALLAST (148 KG) (39) - FRAMES AND BALLASTING
25.100.020
12
4
6
8
3
8
9
11
4
5
6
6
7
13
6
8
4
4
10
8
1
7
13
2
FIT
1:1
100%

Артикул

Название

Примечание

Количество

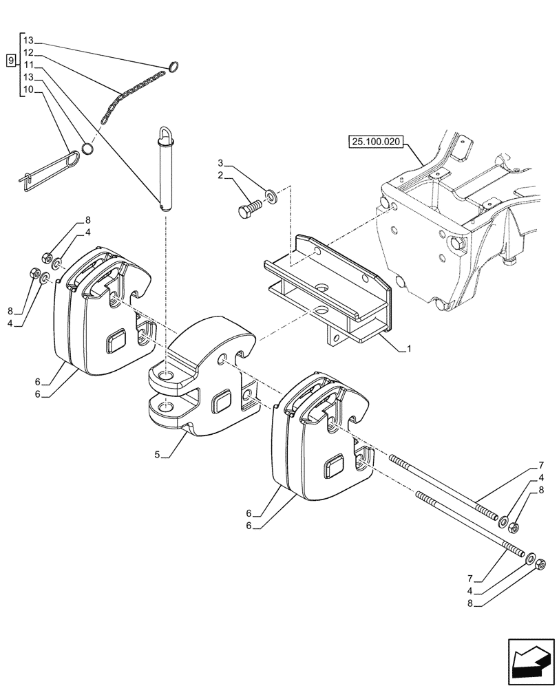
1

47135563

SUPPORT

Front Ballast

1шт.

2

11124734

BOLT,Hex, M20 x 50, 10.9, Full Thd

4шт.

3

11191774

BELLEVILLE WASHER,M20 Bolt Size x 38mm OD x 4.6mm Thk

4шт.

4

11194274

BELLEVILLE WASHER,M16 Bolt Size x 32mm OD x 3.4mm Thk

4шт.

5

47135622

WEIGHT,48Kg

48kg

1шт.

6

47135623

PLATE,25kg

25kg

4шт.

7

82028306

THREADED ROD,M16 x 2 x 385mm L

M16 x 2 x 385mm

2шт.

8

12163325

NUT,Hex, M16 x 2, Cl 10, ZND

Hex, M16 x 2, Cl 10, ZND

4шт.

9

5184442

PIN,30mm OD

ASSY, Incl 10 - 13

1шт.

10

5152004

HAIR PIN COTTER,195mm L

5mm OD x 195mm L

1шт.

11

NSS

NOT SOLD SEPARAT

Pin, Incl in 9

1шт.

12

596063

LINK CHAIN,13 Links x 18mm = 234mm L

Chain

1шт.

13

44901192

SNAP RING,25mm ID

2шт.

Выбрано товаров: 13