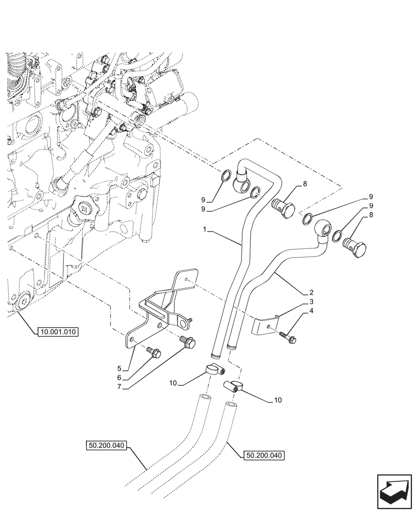
Запчасти Case IH FARMALL 110CL (50.100.010) - VAR - 759031, 759033 - HEATING SYSTEM, LINES, CAB (50) - CAB CLIMATE CONTROL

Схема запчастей Case IH FARMALL 110CL - (50.100.010) - VAR - 759031, 759033 - HEATING SYSTEM, LINES, CAB (50) - CAB CLIMATE CONTROL
10.001.010
9
8
8
5
4
10
6
9
7
9
1
2
10
9
3
50.200.040
50.200.040
FIT
1:1
100%

Артикул

Название

Примечание

Количество

1

48051816

PIPE

Delivery to Engine

1шт.

2

47968010

PIPE

Return to Engine

1шт.

3

48006611

BRACKET

1шт.

4

16286324

BOLT,Hex, M6 x 30mm, Cl 8.8

1шт.

5

47969833

BRACKET

1шт.

6

16287134

FLANGE BOLT,Hex, M8 x 20mm, Cl 10.9

1шт.

7

87698835

FLANGE BOLT,M10 x 20mm, Full Thd, Cl 10.9

1шт.

8

5100984

BANJO BOLT,M18 x 1.5, 34mm L

2шт.

9

10259960

SEAL,Rectangular, 18.30mm ID x 24.00mm OD x 1.50mm, Copper

4шт.

10

13000390

HOSE CLAMP,16mm - 25mm, Worm Gear

2шт.

Выбрано товаров: 10