Запчасти Case IH FARMALL 110CL (50.200.040) - VAR - 759031 - AIR CONDITIONER, W/ ECO CAB, LINE, CAB (50) - CAB CLIMATE CONTROL

Схема запчастей Case IH FARMALL 110CL - (50.200.040) - VAR - 759031 - AIR CONDITIONER, W/ ECO CAB, LINE, CAB (50) - CAB CLIMATE CONTROL
50.100.030
8
22
23
15
14
15
11
23
2
18
21
14
7
17
3
14
17
5
8
1
20
15
14
11
13
17
13
6
8
4
17
9
16
15
19
13
8
13
10
17
12
90.150.090
FIT
1:1
100%

Артикул

Название

Примечание

Количество

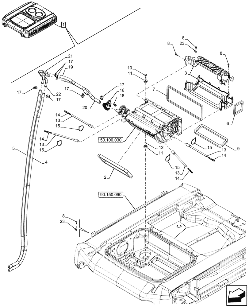
1

47988507

ROOF

ASSY, Incl 2 - 23

1шт.

See also Roof Components in Figures 50.104.010, 50.200.050, 55.050.010, 55.050.020, 55.404.180, 90.150.090

1шт.

2

47902821

GASKET,342.7mm L x 138.9mm W x 20mm Thk

1шт.

3

47902998

CONVEYOR

1шт.

4

48065670

HOSE,14mm ID x 2570mm L, Rubber

Water OUT

1шт.

5

48065672

HOSE,14mm ID x 2570mm L, Rubber

Water IN

1шт.

6

47902818

GASKET,110mm L x 100.5mm W x 10mm Thk

1шт.

7

47902809

GASKET,420mm L x 153.5mm W x 10mm Thk

1шт.

8

15516401

SELF-TAP SCREW,Self Tap, Hex, M4 x 2.5 x 16mm

13шт.

9

47792462

GASKET,223mm L x 104.5mm W x 15mm Thk

1шт.

10

13839611

BOLT,Hex, M8 x 35mm, 22Thd, R50 IND

4шт.

11

47902857

RUBBER BUMPER,20mm ID x 28mm OD x 12mm Thk

8шт.

12

47902854

SPACER,9mm ID x 11mm OD x 16mm L

4шт.

13

48022894

PIPE

4шт.

14

48022895

PIPE

4шт.

15

14560187

COLLAR,199mm L

4шт.

16

47779866

PLATE

1шт.

17

47902813

CLAMP

6шт.

18

16286024

FLANGE BOLT,Hex, M6 x 16, Full Thd, Cl 8.8

1шт.

19

48047624

PIPE,24mm OD x 355mm L

Water Intake, 355mm

1шт.

20

48047623

PIPE,24mm OD x 455mm L

Water Exhaust, 455mm

1шт.

21

48009346

HOSE

Water IN, Connection

1шт.

22

48009347

HOSE,16/18mm ID x 63.5mm L

Water Out, Connection

1шт.

23

48041363

STRAP

3шт.

Выбрано товаров: 24