Запчасти Case IH FARMALL 110CL (55.035.070) - VAR - 759025 - REMOTE CONTROL VALVE, DIVERTER, CAB (55) - ELECTRICAL SYSTEMS

Схема запчастей Case IH FARMALL 110CL - (55.035.070) - VAR - 759025 - REMOTE CONTROL VALVE, DIVERTER, CAB (55) - ELECTRICAL SYSTEMS
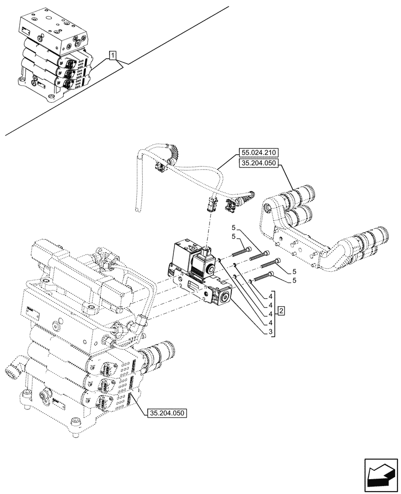
55.024.210
4
1
2
4
5
5
4
5
4
3
5
35.204.050
35.204.050
FIT
1:1
100%

Артикул

Название

Примечание

Количество

1

NS

NOT SERVICED

DISTRIBUTOR, ASSY, Incl 2 - 5

1шт.

Serviced Through Components

1шт.

See also Distributor Components in Figures 35.204.060, 35.204.930

1шт.

2

47633685

HYDRAULIC VALVE

ASSY, Diverter, Incl 3, 4

1шт.

3

47737076

SOLENOID VALVE

Directional

1шт.

4

14457186

O-RING,0.103" Thk x 0.549" ID, -113, Cl 5, 75 Duro

4шт.

5

356464

HEX SOC SCREW,M6 x 50mm, Cl 8.8

4шт.

Выбрано товаров: 7