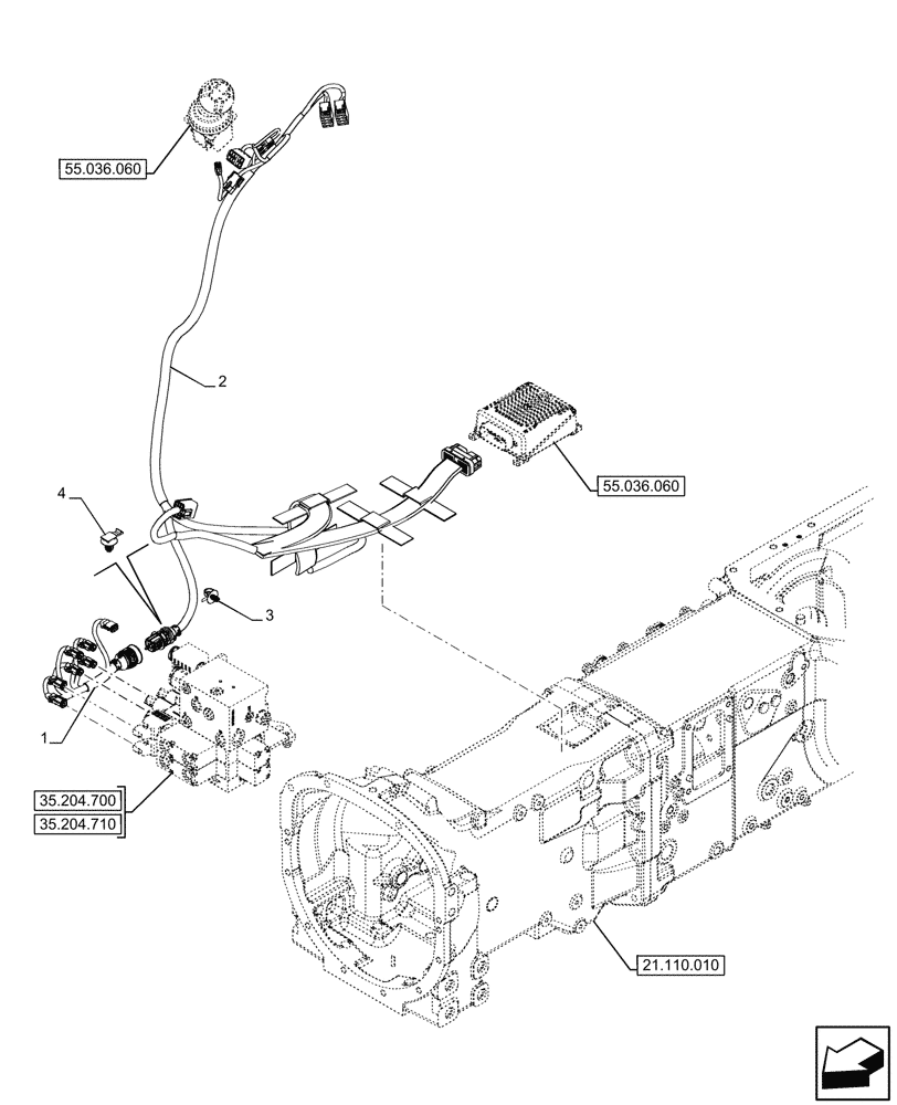
Запчасти Case IH FARMALL 110CL (55.036.050) - VAR - 743970, 759021 - MID-MOUNT CONTROL VALVE, ELECTRICAL, HARNESS, CAB (55) - ELECTRICAL SYSTEMS

Схема запчастей Case IH FARMALL 110CL - (55.036.050) - VAR - 743970, 759021 - MID-MOUNT CONTROL VALVE, ELECTRICAL, HARNESS, CAB (55) - ELECTRICAL SYSTEMS
35.204.700
2
3
4
55.036.060
55.036.060
1
21.110.010
35.204.710
FIT
1:1
100%

Артикул

Название

Примечание

Количество

1

48001612

WIRE HARNESS

Mid Mouts Valve Harness

1шт.

2

48001610

WIRE HARNESS

Mid Mouts Harness Cab

1шт.

3

82033028

CABLE TIE,170mm L

1шт.

4

84121645

MOUNT

1шт.

Выбрано товаров: 4