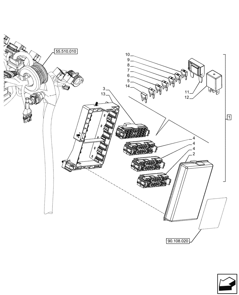
Запчасти Case IH FARMALL 110CL (55.100.010) - FUSE BOX, 4WD, CAB (55) - ELECTRICAL SYSTEMS

Схема запчастей Case IH FARMALL 110CL - (55.100.010) - FUSE BOX, 4WD, CAB (55) - ELECTRICAL SYSTEMS
90.108.020
2
6
14
4
3
8
11
13
4
5
9
4
7
12
10
1
55.510.010
FIT
1:1
100%

Артикул

Название

Примечание

Количество

1

48013897

WIRE HARNESS

ASSY, Incl 2 - 14

1шт.

2

87314759

COVER

1шт.

3

87314761

FUSE HOLDER

1шт.

4

87314762

FUSE HOLDER

3шт.

5

84153830

FUSE,5A, Mini, Beige

14шт.

6

84152583

FUSE,7.5A, Mini, Brown

3шт.

7

84127702

FUSE,10A, Mini, Red

15шт.

8

84127703

FUSE,15A, Mini, Blue

4шт.

9

84127704

FUSE,20A, Mini, Yellow

1шт.

10

84127705

FUSE,25A, Mini, White

1шт.

11

84157159

FUSE,40A, Maxi, Orange

1шт.

12

84543528

RELAY,12V, 20A, Micro

14шт.

13

87314764

COVER

1шт.

14

84127708

FUSE,30A, Mini, Green

1шт.

Выбрано товаров: 14