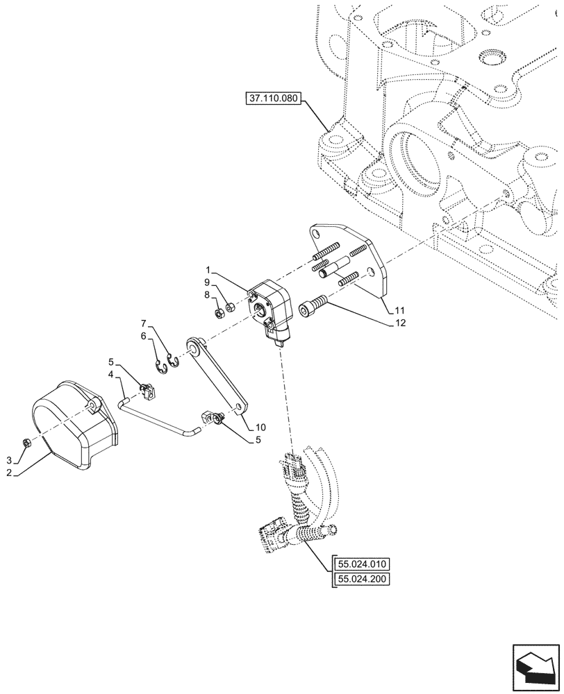
Запчасти Case IH FARMALL 110CL (55.130.020) - VAR - 743523 - REAR, 3 POINT HITCH, ELECTRONIC DRAFT CONTROL (EDC), POTENTIOMETER, CAB (55) - ELECTRICAL SYSTEMS

Схема запчастей Case IH FARMALL 110CL - (55.130.020) - VAR - 743523 - REAR, 3 POINT HITCH, ELECTRONIC DRAFT CONTROL (EDC), POTENTIOMETER, CAB (55) - ELECTRICAL SYSTEMS
55.024.200
7
8
10
2
1
4
5
12
6
9
5
3
11
37.110.080
55.024.010
FIT
1:1
100%

Артикул

Название

Примечание

Количество

1

87605245

POTENTIOMETER,4000 Ohm, 13.5 VDC

Rotary Position

1шт.

2

5173934

GUARD

1шт.

3

10794014

NUT,M4, Cl 8

2шт.

4

5173914

TIE-ROD,4mm OD x 95.5mm L

1шт.

5

83980851

CLIP,11mm OD x 4.46mm ID

2шт.

6

11087974

CIRCLIP,Ext., M8, DAC

1шт.

7

11087976

CIRCLIP,Ext., M8, BLO

1шт.

8

15896414

NUT,M5, Cl 8

1шт.

9

14048514

NUT,M4 x .7, Cl 8

1шт.

10

5173906

LEVER

1шт.

11

47132772

SUPPORT

1шт.

12

14306324

HEX SOC SCREW,M8 x 1.25 x 20mm, Cl 8.8, Full Thd

2шт.

Выбрано товаров: 12