Запчасти Case IH FARMALL 110CL (90.150.060) - VAR - 759031, 759033 - CAB FRAME, PLATE, PLUGS, CAB (90) - PLATFORM, CAB, BODYWORK AND DECALS

Схема запчастей Case IH FARMALL 110CL - (90.150.060) - VAR - 759031, 759033 - CAB FRAME, PLATE, PLUGS, CAB (90) - PLATFORM, CAB, BODYWORK AND DECALS
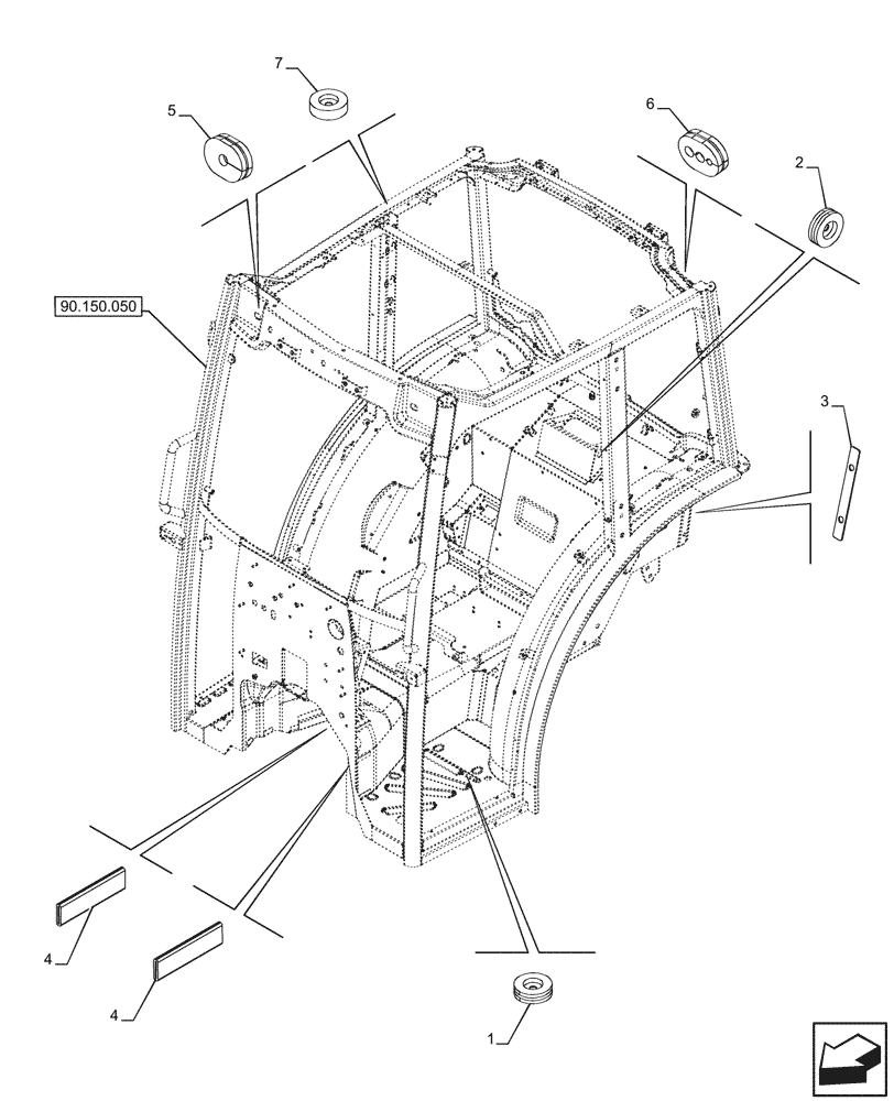
90.150.050
4
7
6
2
1
3
5
4
FIT
1:1
100%

Артикул

Название

Примечание

Количество

1

48092125

GROMMET,22mm ID x 29mm OD x 10mm Thk

1шт.

2

48043106

GROMMET,14mm ID x 27mm OD x 8mm Thk

1шт.

3

47446929

RUBBER BUMPER,2x15mm OD x 235mm L

Rear, Fuel Tank

2шт.

4

5177320

FLEXIBLE SHEATH,10mm ID x 60mm L

4шт.

5

87565310

GROMMET,8mm ID x 28mm x 38mm x 10mm

Radio Predisposition

3шт.

6

87565347

GROMMET,8mm ID x 28mm x 38mm x 10mm

Radio Predisposition

1шт.

7

47130062

SPACER,9mm ID x 35mm OD x 8mm L

Heating-Cnditioning

2шт.

Выбрано товаров: 7