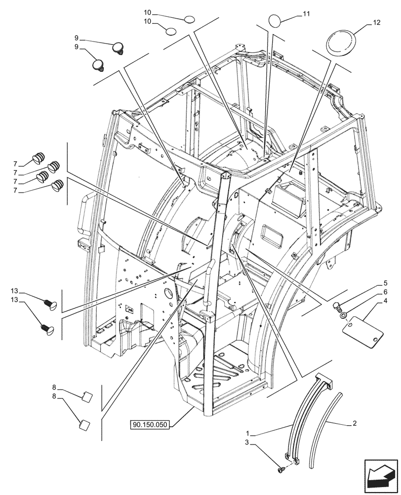
Запчасти Case IH FARMALL 110CL (90.160.130) - VAR - 759011 - TRIM, PLUG, CAB (90) - PLATFORM, CAB, BODYWORK AND DECALS

Схема запчастей Case IH FARMALL 110CL - (90.160.130) - VAR - 759011 - TRIM, PLUG, CAB (90) - PLATFORM, CAB, BODYWORK AND DECALS
90.150.050
9
8
11
9
6
4
7
7
1
10
8
2
13
10
7
7
12
3
13
5
FIT
1:1
100%

Артикул

Название

Примечание

Количество

1

5184159

SECTOR

1шт.

2

5176600

BRACKET

Lever Cover

2шт.

3

15958701

SCREW,Pan Hd, M5 x 3 x 12mm

4шт.

4

47123366

PLATE

1шт.

5

16043524

SCREW,Hex, M8 x 1.25 x 22mm, Cl 8.8, Full Thd

2шт.

6

12638504

WASHER,8.15mm ID x 15mm OD x 1.5mm Thk

2шт.

7

5170750

PLUG,17mm, Black

4шт.

8

5107721

PLUG,7.7mm, Black

2шт.

9

83994150

PLUG,4.5-5.7mm OD

Latch Cover

2шт.

10

5155575

PLUG,10mm, Black

2шт.

11

5155613

PLUG,14mm , Black

1шт.

12

14507887

PLUG,25mm ID, 39mm OD

Rear, Hydraulic Lift Lever

1шт.

13

81870039

FASTENER,M8 x 1.5 x 22mm

Black

2шт.

Выбрано товаров: 13