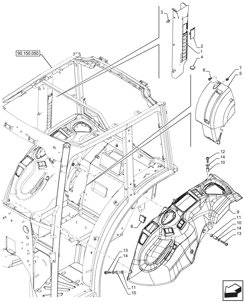
Запчасти Case IH FARMALL 110CL (90.160.300) - VAR - 759022, 759023, 759024 - TRIM PANEL, PILLAR, CAB (90) - PLATFORM, CAB, BODYWORK AND DECALS

Схема запчастей Case IH FARMALL 110CL - (90.160.300) - VAR - 759022, 759023, 759024 - TRIM PANEL, PILLAR, CAB (90) - PLATFORM, CAB, BODYWORK AND DECALS
90.150.050
14
2
7
4
12
13
13
10
10
1
6
11
11
10
3
5
9
8
14
14
FIT
1:1
100%

Артикул

Название

Примечание

Количество

1

47973635

COVER

RH, Wheat Color

1шт.

2

84592837

LID

1шт.

3

5162852

RIVET,7.3mm OD x 12mm L

5шт.

4

14507887

PLUG,25mm ID, 39mm OD

1шт.

5

47999620

COVER

Lever

1шт.

6

5182260

SELF-TAP SCREW,M5 x 16mm L

3шт.

7

14115780

BLOCK

3шт.

8

5107721

PLUG,7.7mm, Black

4шт.

9

47445294

TRIM

RH, Wheat Color

1шт.

10

47812733

SPACER,10mm ID x 15mm OD x 21mm L

10mm ID x 15mm OD x 21mm L

6шт.

11

47812732

SPACER,10mm ID x 15mm OD x 10mm L

10mm ID x 15mm OD x 10mm L

5шт.

12

47570448

SCREW,M8 x 35mm L, Cl 8.8

1шт.

13

47570450

SCREW,M8 x 45mm L, Cl 8.8

5шт.

14

12646778

WASHER,8.15mm ID x 20mm OD x 2mm Thk

6шт.

Выбрано товаров: 14