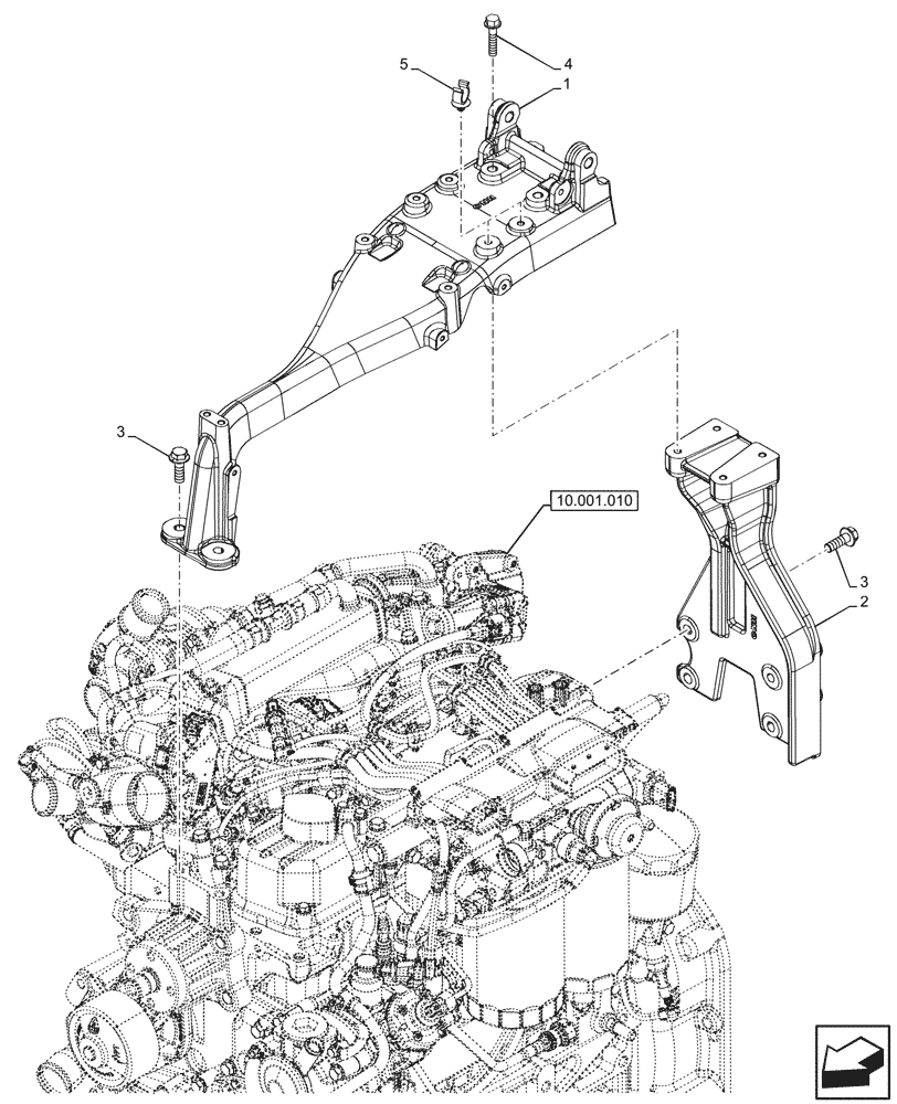
Запчасти Case IH FARMALL 80CL (90.102.010) - VAR - 759028, 759029, 759031, 759033 - HOOD, SUPPORT (90) - PLATFORM, CAB, BODYWORK AND DECALS

Схема запчастей Case IH FARMALL 80CL - (90.102.010) - VAR - 759028, 759029, 759031, 759033 - HOOD, SUPPORT (90) - PLATFORM, CAB, BODYWORK AND DECALS
10.001.010
3
3
4
1
2
5
FIT
1:1
100%

Артикул

Название

Примечание

Количество

1

47962787

SUPPORT

Front Hood

1шт.

2

47465111

SUPPORT

Rear Hood

1шт.

3

9804262

BOLT,M10 x 39.2mm, Cl 8.8

6шт.

4

86511842

BOLT,M8 x 1.25 x 48.1mm OAL, Cl 8.8

4шт.

5

47469911

CLIP,16mm ID

2шт.

Выбрано товаров: 5