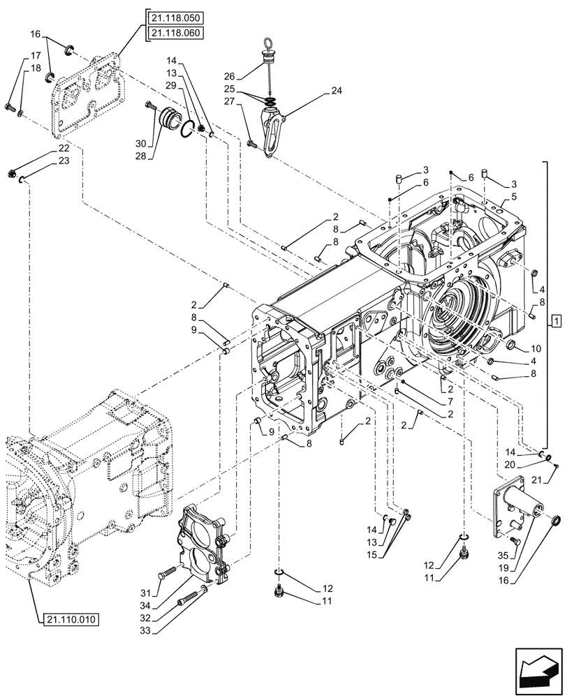
Запчасти Case IH FARMALL 80CL (21.118.010) - TRANSMISSION, HOUSING, SHUTTLE (21) - TRANSMISSION

Схема запчастей Case IH FARMALL 80CL - (21.118.010) - TRANSMISSION, HOUSING, SHUTTLE (21) - TRANSMISSION
21.118.050
19
4
16
2
8
24
2
9
11
10
6
6
26
2
1
11
18
8
8
12
22
17
2
23
12
5
34
33
3
21
14
30
4
28
8
16
7
25
2
32
14
13
20
13
9
35
15
31
3
14
8
29
2
21.110.010
27
8
21.118.060
FIT
1:1
100%

Артикул

Название

Примечание

Количество

1

47451358

TRANSMISSION HOUSING

ASSY, Incl 2 - 10

1шт.

2

5153109

DOWEL,10mm OD x 15mm L

6шт.

3

5119529

DOWEL,15mm OD x 22mm L

2шт.

4

14328701

PLUG,M20, Tapered

2шт.

5

NSS

NOT SOLD SEPARAT

Transmission Housing, Incl in 1

1шт.

6

5194489

SCREW,M8 x 8mm, Cl 8.8

4шт.

7

14328201

PLUG,M10, Tapered

1шт.

8

4988170

PIN,10mm OD x 20mm L

12шт.

9

44908048

BUSHING,16mm OD x 14mm L

2шт.

10

14329101

PLUG,M30, Tapered

1шт.

11

5118991

PLUG,M22 x 1.5

2шт.

12

10263460

SEAL,22.3mm ID x 28mm OD x 1.5mm Thk

2шт.

13

10300611

PLUG,M14 x 1.5 x 14, Cl5.8

3шт.

14

10261160

SEALING WASHER,M14.2 x 18 x 1.5, Copper

4шт.

15

14328601

PLUG,M18, Tapered

2шт.

16

5168241

SEAL,22mm ID x 32mm OD x 9mm Thk

3шт.

17

11227934

SCREW

12шт.

18

11198374

BELLEVILLE WASHER,M10 Bolt Size x 20mm OD x 2.6mm Thk

12шт.

19

5168149

COVER

1шт.

20

14453280

O-RING,0.07" Thk x 0.551" ID, -15, Cl 5, 75 Duro

1шт.

21

10977514

BOLT,Hex, M5 x 10mm, Cl 5.8, Full Thd

2шт.

22

10300711

PLUG,M16 x 1.5 x 14, Cl5.8

1шт.

23

10257060

SEALING WASHER,16.3mm ID x 22mm OD x 1.5mm Thk

1шт.

24

5177062

NECK FILLER

1шт.

25

14457980

O-RING,0.103" Thk x 1.049" ID, -121, Cl 5, 75 Duro

2шт.

26

5182954

DIPSTICK,165mm L

1шт.

27

10923221

SCREW,Hex, M10 x 1.25 x 25mm, Cl 8.8, Full Thd

3шт.

28

47449191

PLUG,56mm, Gray

1шт.

29

5174527

O-RING,0.139" Thk x 1.984" ID, -226, Cl 5, 75 Duro

1шт.

30

11306924

BOLT,Hex, M10 x 1.25 x 30, 8.8, Full Thd

1шт.

31

15540921

SCREW,Hex, M12 x 1.25 x 55mm, Cl 8.8

4шт.

32

14331721

HEX SOC SCREW,M12 x 1.25 x 60mm, Cl 8.8, Full Thd

1шт.

33

11190774

BELLEVILLE WASHER,M12 Bolt Size x 24mm OD x 2.8mm Thk

1шт.

34

5183692

COVER

1шт.

35

15970724

SCREW,Hex, M10 x 1.25 x 25mm, Cl 8.8, Full Thd

4шт.

Выбрано товаров: 35