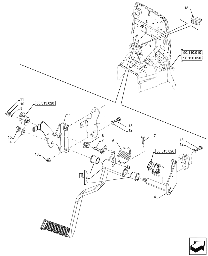
Запчасти Case IH FARMALL 90CL (18.104.010) - VAR - 330273, 743509 - CLUTCH, PEDAL, ELECTROHYDRAULIC ENGAGEMENT, CONTROLS (18) - CLUTCH

Схема запчастей Case IH FARMALL 90CL - (18.104.010) - VAR - 330273, 743509 - CLUTCH, PEDAL, ELECTROHYDRAULIC ENGAGEMENT, CONTROLS (18) - CLUTCH
55.513.020
12
4
15
6
5
13
9
18
12
3
3
8
13
2
7
1
10
16
14
17
11
90.110.010
90.150.050
55.513.020
FIT
1:1
100%

Артикул

Название

Примечание

Количество

1

48108092

ASSY, Incl 2, 3

PEDAL

1шт.

2

NSS

NOT SOLD SEPARAT

Pedal, Incl in 1

1шт.

3

5188075

BUSHING,22mm ID x 26.27mm OD x 26mm L

2шт.

4

47130713

SUPPORT

RH

1шт.

5

47130711

SUPPORT

LH, Black

1шт.

6

5177552

SPRING,51mm OD x 64mm L

1шт.

7

47132765

SHAFT,39.55mm L

1шт.

8

47133571

PLATE

1шт.

9

11087874

CIRCLIP,M6

1шт.

10

10519604

WASHER,8.15mm ID x 17mm OD x 2mm Thk

1шт.

11

11087876

CIRCLIP,M7

1шт.

12

16043424

SCREW,Hex, M8 x 1.25 x 20mm, Cl 8.8, Full Thd

3шт.

13

11193874

BELLEVILLE WASHER,M8 Bolt Size x 16mm OD x 1.4mm Thk

3шт.

14

11190874

BELLEVILLE WASHER,M12 Bolt Size x 30mm OD x 3mm Thk

1шт.

15

16101524

NUT,M12 x 1.25, Cl 10

1шт.

16

13046211

NUT,Flange Hex, M8

1шт.

17

48015480

PIN,M6 x 1 x 36mm L

1шт.

18

5179011

PLUG,Hex, M32 x 2

Closing Hole Clutch HI-LO

1шт.

Выбрано товаров: 18