Запчасти Case IH FARMALL 90CL (35.100.030) - VAR - 743915, 743970 - DELIVERY PIPE, LIFT ARM, STEERING, 60L (35) - HYDRAULIC SYSTEMS

Схема запчастей Case IH FARMALL 90CL - (35.100.030) - VAR - 743915, 743970 - DELIVERY PIPE, LIFT ARM, STEERING, 60L (35) - HYDRAULIC SYSTEMS
35.100.020
4
7
8
3
14
15
6
11
13
1
12
2
5
11
16
6
9
10
35.304.010
21.100.010
FIT
1:1
100%

Артикул

Название

Примечание

Количество

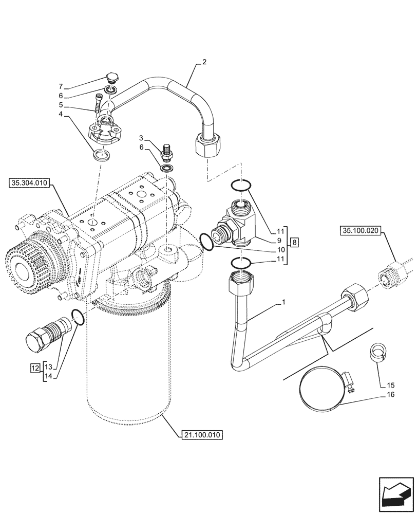
1

47581423

PIPE,15mm OD

from Oil Filter T Connector to Remote Control Valve Line, 15mm OD

1шт.

2

47461089

PIPE,18mm OD

from Pump to Oil Filter T Connector, 18mm OD

1шт.

3

84564689

SCREW,M10 x 1, M12 x 1.5 x 29mm L

1шт.

4

87335172

SEALING RING,19mm ID x 26mm OD x 3mm Thk

1шт.

5

14305521

HEX SOC SCREW,M6 x 30mm, Cl 8.8, Full Thd

2шт.

6

5183780

SEALING WASHER,9.73mm ID x 18mm OD x 1.5mm Thk

2шт.

7

10300511

PLUG,M12 x 1.5 x 12, Cl5.8

1шт.

8

86579712

TEE,M27 x 2 x 55.5mm

ASSY, Incl 9 - 11

1шт.

9

NSS

NOT SOLD SEPARAT

Tee, Incl in 8

1шт.

10

86598103

O-RING,2.9mm Thk x 23.6mm ID, Cl 6, 90 Duro

1шт.

11

9991976

O-RING,0.07" Thk x 0.739" ID, -18, Cl 6, 90 Duro

2шт.

12

47128782

VALVE PRESSURE RELIE

ASSY, Pressure Relief, Incl 13, 14

1шт.

13

NSS

NOT SOLD SEPARAT

Valve, Incl in 12

1шт.

14

14453981

O-RING,0.989" ID x 0.07" Width

1шт.

15

4959735

SPACER,18mm ID x 25mm OD x 30mm L

1шт.

16

87040758

HOSE CLAMP,71.4mm - 95.2mm

1шт.

Выбрано товаров: 16