Запчасти Case IH FARMALL 90CL (35.204.045) - VAR - 759023 - 3 REMOTE CONTROL VALVES, W/O DIVERTER, W/O CAB (35) - HYDRAULIC SYSTEMS

Схема запчастей Case IH FARMALL 90CL - (35.204.045) - VAR - 759023 - 3 REMOTE CONTROL VALVES, W/O DIVERTER, W/O CAB (35) - HYDRAULIC SYSTEMS
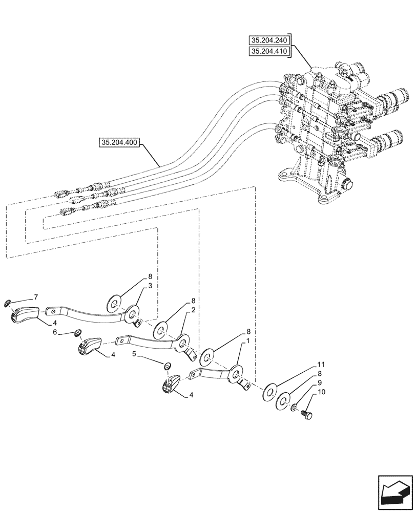
35.204.240
8
3
6
4
11
2
8
7
8
10
5
8
1
4
4
35.204.400
35.204.410
9
FIT
1:1
100%

Артикул

Название

Примечание

Количество

1

47132719

LEVER

3rd Command

1шт.

2

47132718

LEVER

2nd Command

1шт.

3

47132717

LEVER

1st Command

1шт.

4

47381094

KNOB,Black

3шт.

5

87698516

DATA PLAQUE

For Ginger Remote

1шт.

6

87698506

DATA PLAQUE

For Blu Remote

1шт.

7

87698505

DATA PLAQUE

For Green Remote

1шт.

8

5170694

SHIM,21mm ID x 50mm OD x 2mm Thk

4шт.

9

13550404

WASHER,10.2mm ID x 20mm OD x 2mm Thk

1шт.

10

15970624

BOLT,Hex, M10 x 1.25 x 22mm, Cl 8.8, Full Thd

1шт.

11

87306469

WASHER,10.5mm ID x 50mm OD x 2mm Thk

1шт.

Выбрано товаров: 11