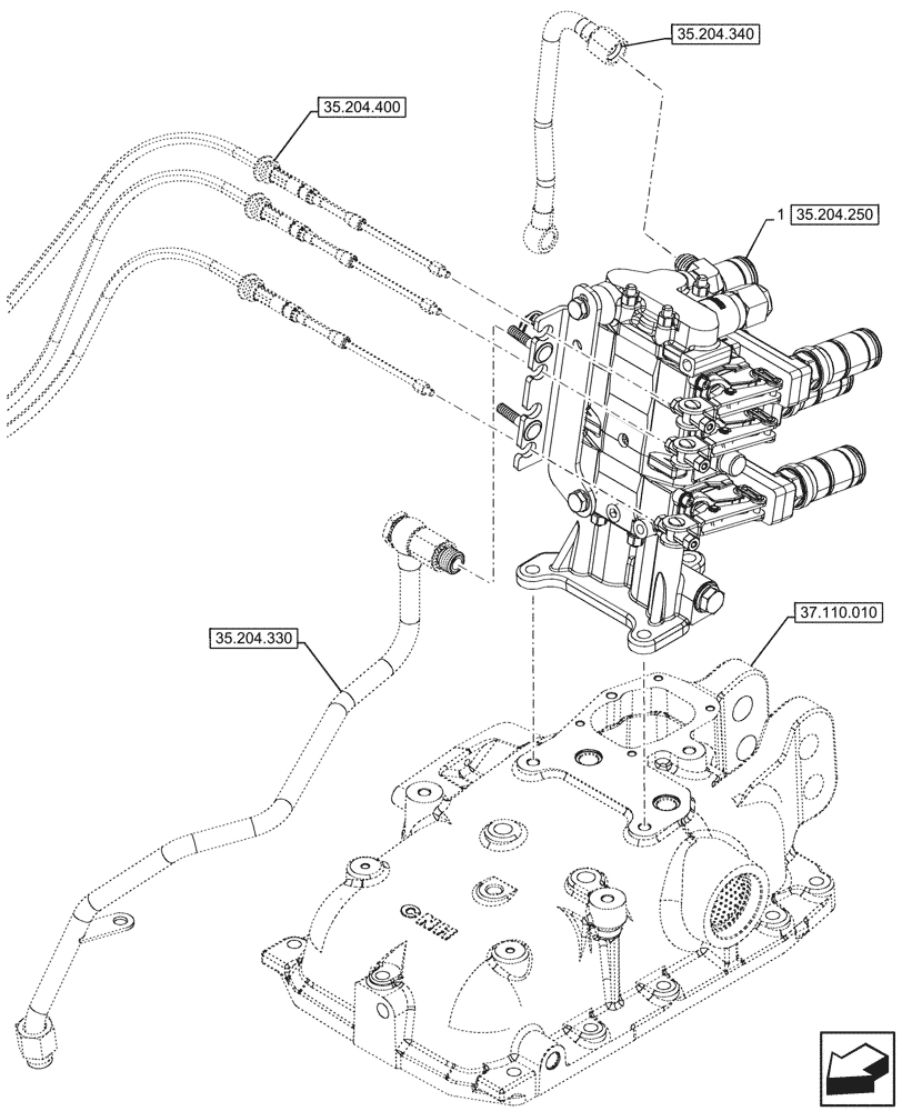
Запчасти Case IH FARMALL 90CL (35.204.240) - VAR - 759023 - 3 REMOTE CONTROL VALVES, MOUNTING (MDC) (35) - HYDRAULIC SYSTEMS

Схема запчастей Case IH FARMALL 90CL - (35.204.240) - VAR - 759023 - 3 REMOTE CONTROL VALVES, MOUNTING (MDC) (35) - HYDRAULIC SYSTEMS
35.204.400
1
37.110.010
35.204.250
35.204.340
35.204.330
FIT
1:1
100%

Артикул

Название

Примечание

Количество

1

47937647

DISTRIBUTOR

3 Remotes MDC, ASSY

1шт.

Выбрано товаров: 1