Запчасти Case IH FARMALL 90CL (35.204.400) - VAR - 759023, 759024 - 3 REMOTE CONTROL VALVES, CONTROL LEVER, W/O CAB (35) - HYDRAULIC SYSTEMS

Схема запчастей Case IH FARMALL 90CL - (35.204.400) - VAR - 759023, 759024 - 3 REMOTE CONTROL VALVES, CONTROL LEVER, W/O CAB (35) - HYDRAULIC SYSTEMS
35.204.240
2
1
4
3
2
1
35.204.410
1
35.204.045
35.204.015
FIT
1:1
100%

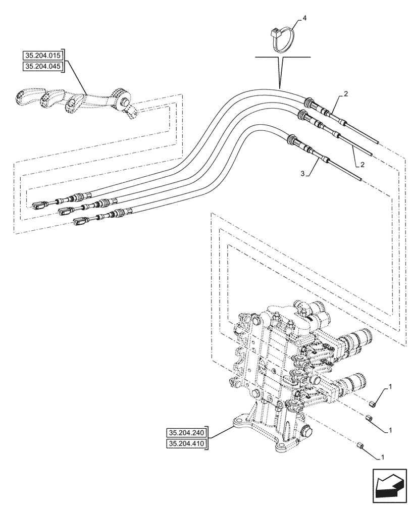
Артикул

Название

Примечание

Количество

1

82012528

NUT,Hex, M6 x 1

PTO Cable Adjust

3шт.

2

47931833

REMOTE CONTROL

2шт.

3

48019277

REMOTE CONTROL

1шт.

4

14560087

CABLE TIE,103mm, Black

3шт.

Выбрано товаров: 4