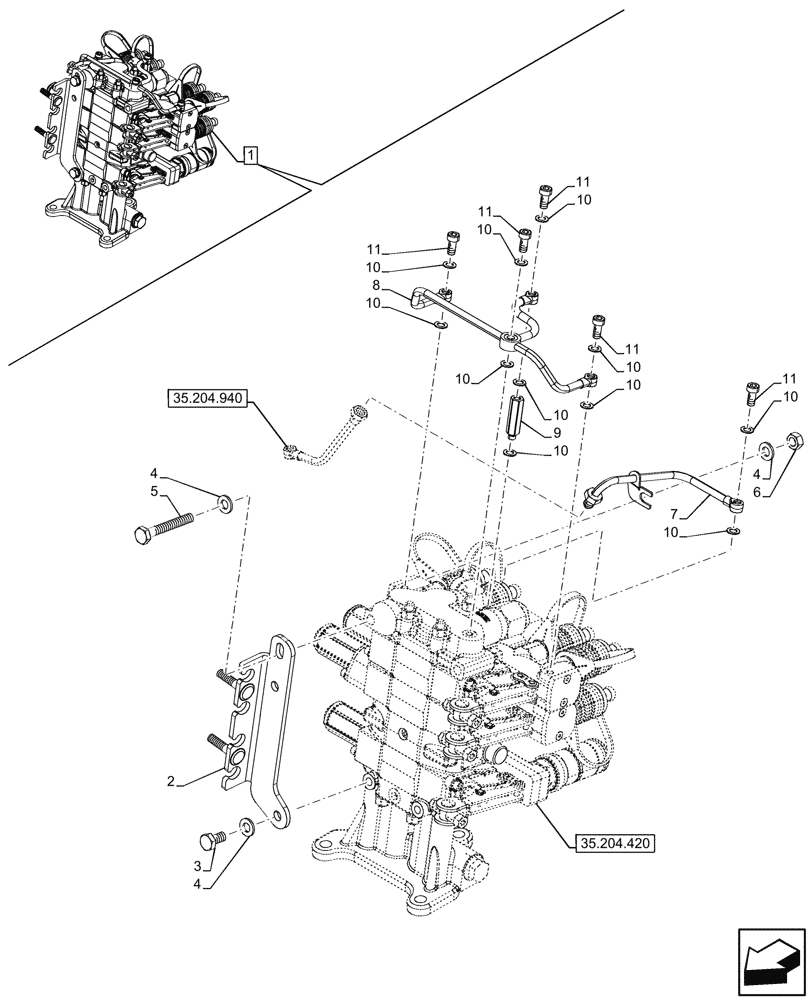
Запчасти Case IH FARMALL 90CL (35.204.430) - VAR - 759024 - 3 REMOTE CONTROL VALVES, W/ DIVERTER, COMPONENTS (MDC) (35) - HYDRAULIC SYSTEMS

Схема запчастей Case IH FARMALL 90CL - (35.204.430) - VAR - 759024 - 3 REMOTE CONTROL VALVES, W/ DIVERTER, COMPONENTS (MDC) (35) - HYDRAULIC SYSTEMS
11
2
10
10
9
10
10
4
6
11
7
10
4
11
4
10
1
10
10
10
3
10
8
10
5
11
11
35.204.940
35.204.420
FIT
1:1
100%

Артикул

Название

Примечание

Количество

1

47937646

DISTRIBUTOR

ASSY, 3 Remotes MDC W/ Diverter, Incl 2 - 11

1шт.

See also 3 Remotes MDC W/ Diverter Valve Components in Figure 35.204.420

1шт.

2

47932669

BRACKET

1шт.

3

15970524

BOLT,Hex, M10 x 1.25 x 20mm, Cl 8.8, Full Thd

1шт.

4

11190574

BELLEVILLE WASHER,M10 Bolt Size x 20mm OD x 2.3mm Thk

3шт.

5

355788

BOLT,Hex, M10 x 1.5 x 70mm, Cl 10.9

1шт.

6

86500689

NUT,M10 x 1.5, Cl 10

1шт.

7

87731823

RIGID TUBE

1шт.

8

84516608

RETURN PIPE

1шт.

9

5179506

PROP,M8 x 1.25

1шт.

10

10260060

SEALING WASHER,8.2mm ID x 14mm OD x 1mm Thk

11шт.

11

5175070

BANJO BOLT,M8 x 1.25 x 24mm

5шт.

Выбрано товаров: 12