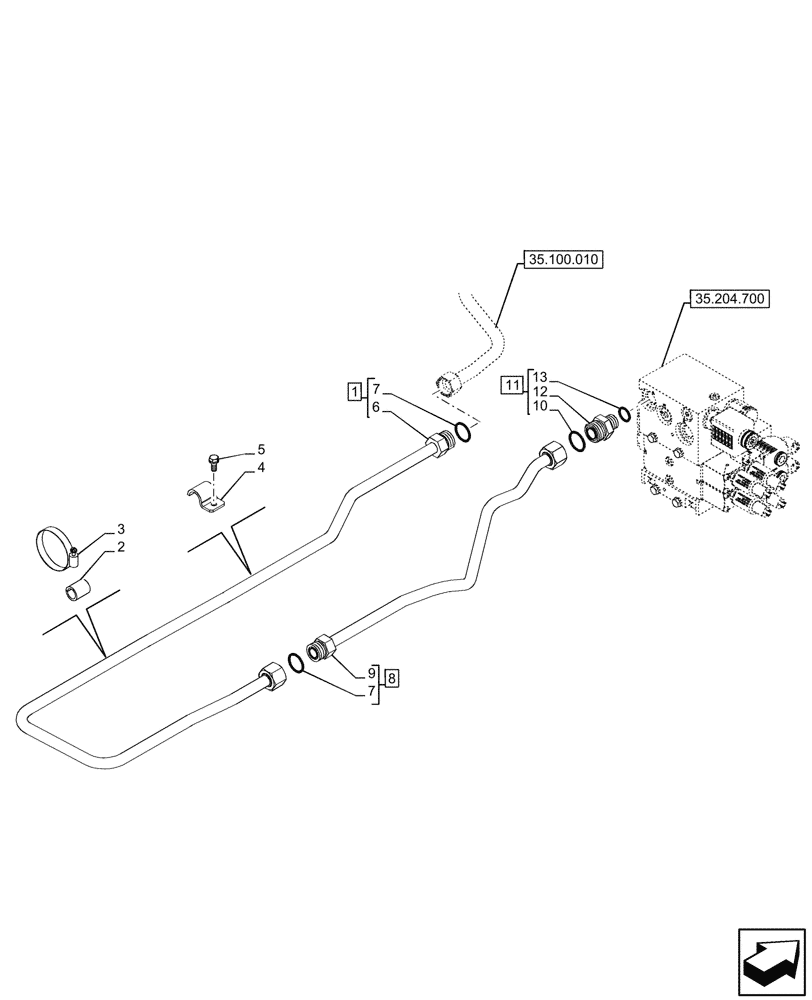
Запчасти Case IH FARMALL 90CL (35.204.870) - VAR - 743915, 743970 - MID-MOUNT CONTROL VALVE, LINES, 64LPM, W/O TRAILER BRAKE VALVE (35) - HYDRAULIC SYSTEMS

Схема запчастей Case IH FARMALL 90CL - (35.204.870) - VAR - 743915, 743970 - MID-MOUNT CONTROL VALVE, LINES, 64LPM, W/O TRAILER BRAKE VALVE (35) - HYDRAULIC SYSTEMS
35.204.700
7
2
5
7
9
4
10
11
3
13
12
1
6
8
35.100.010
FIT
1:1
100%

Артикул

Название

Примечание

Количество

1

47974777

PIPE

ASSY, Delivery Less Trailer Brake Valve, Incl 6, 7 (Qty 1)

1шт.

2

4959735

SPACER,18mm ID x 25mm OD x 30mm L

1шт.

3

87040758

HOSE CLAMP,71.4mm - 95.2mm

1шт.

4

5193286

BRACKET

1шт.

5

86050272

BOLT,M6 x 1 x 18.6mm OAL, Cl 8.8, Full Thd

1шт.

6

NSS

NOT SOLD SEPARAT

Pipe, Incl in 1

1шт.

7

81825117

O-RING,0.07" Thk x 0.739" ID, -18, Cl 6, 90 Duro

2шт.

8

47974785

PIPE

ASSY, Delivery to Mid Mount Valve, Less Trailer Brake Valve, Incl 7 (Qty 1), 9

1шт.

9

NSS

NOT SOLD SEPARAT

Pipe, Incl in 8

1шт.

10

86598102

O-RING,2.2mm Thk x 19.3mm ID, Cl 6, 90 Duro

1шт.

11

86579681

HYD CONNECTOR,1-3/16"-12 ORFS x M22 x 1.5 ORB

ASSY, Incl 10, 12, 13

1шт.

12

NSS

NOT SOLD SEPARAT

Connector, Incl in 11

1шт.

13

9991976

O-RING,0.07" Thk x 0.739" ID, -18, Cl 6, 90 Duro

1шт.

Выбрано товаров: 13