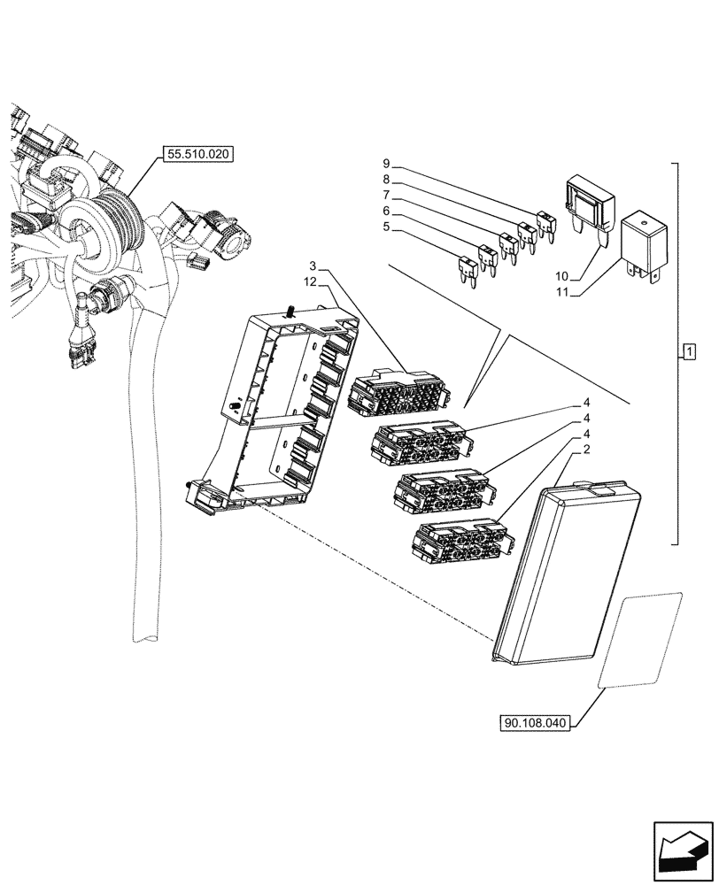
Запчасти Case IH FARMALL 90CL (55.100.020) - FUSE BOX, 4WD, W/O CAB (55) - ELECTRICAL SYSTEMS

Схема запчастей Case IH FARMALL 90CL - (55.100.020) - FUSE BOX, 4WD, W/O CAB (55) - ELECTRICAL SYSTEMS
55.510.020
4
4
6
2
7
8
1
12
4
5
9
10
11
3
90.108.040
FIT
1:1
100%

Артикул

Название

Примечание

Количество

1

48013894

WIRE HARNESS

ASSY, Incl 2 - 12

1шт.

2

87314759

COVER

1шт.

3

87314761

FUSE HOLDER

1шт.

4

87314762

FUSE HOLDER

3шт.

5

84153830

FUSE,5A, Mini, Beige

12шт.

6

84127708

FUSE,30A, Mini, Green

1шт.

7

84127702

FUSE,10A, Mini, Red

13шт.

8

84127703

FUSE,15A, Mini, Blue

4шт.

9

84127704

FUSE,20A, Mini, Yellow

1шт.

10

84157159

FUSE,40A, Maxi, Orange

1шт.

11

84543528

RELAY,12V, 20A, Micro

14шт.

12

87314764

COVER

1шт.

Выбрано товаров: 12