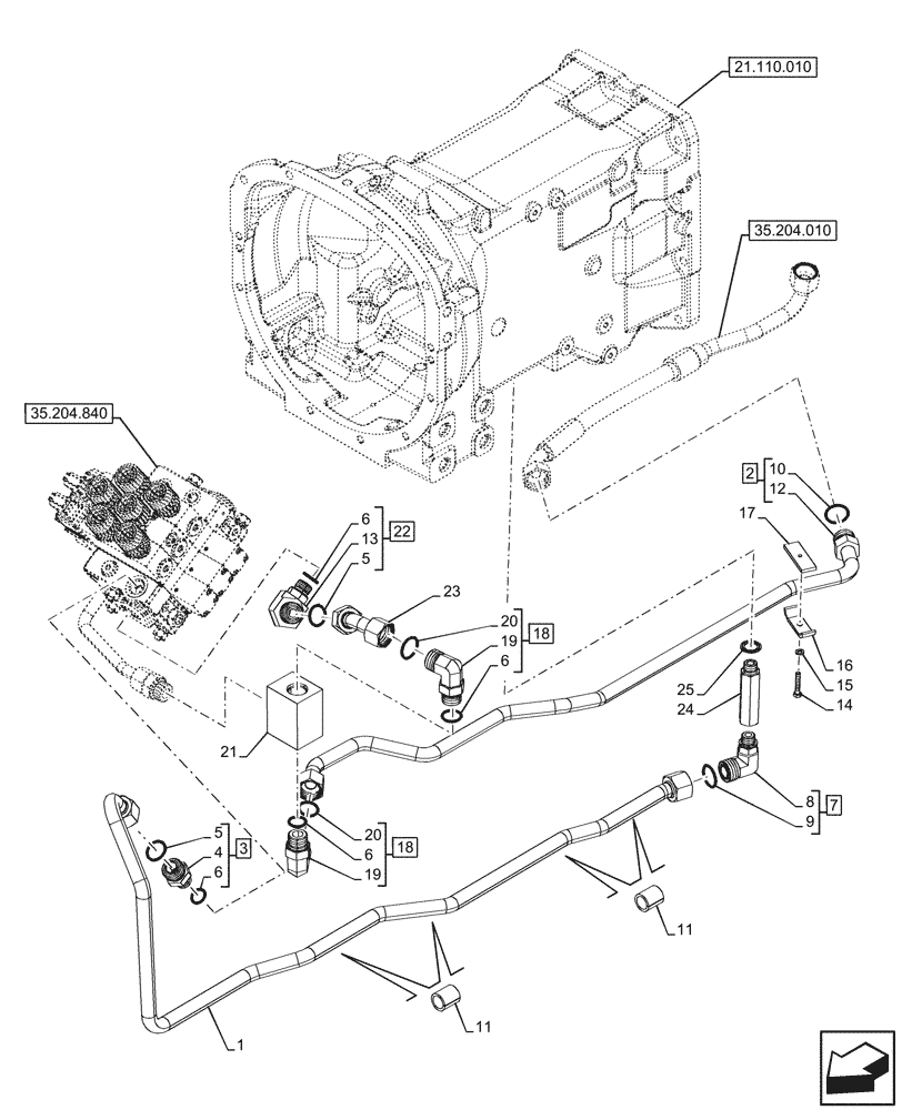
Запчасти Case IH FARMALL 100N (35.204.900) - VAR - 759021 - MID-MOUNT CONTROL VALVE, LINES, CAB (35) - HYDRAULIC SYSTEMS

Схема запчастей Case IH FARMALL 100N - (35.204.900) - VAR - 759021 - MID-MOUNT CONTROL VALVE, LINES, CAB (35) - HYDRAULIC SYSTEMS
21.110.010
3
20
11
10
20
5
14
16
5
18
13
7
6
4
19
18
22
19
8
6
12
6
23
1
25
6
9
35.204.840
15
11
24
17
21
2
35.204.010
FIT
1:1
100%

Артикул

Название

Примечание

Количество

1

47914499

PIPE

Return Discharge from MMV

1шт.

2

47806230

PIPE

ASSY, Delivery to T-connector MMV, Incl 12, 10

1шт.

3

86579681

HYD CONNECTOR,1-3/16"-12 ORFS x M22 x 1.5 ORB

ASSY, Incl 4, 5 (Qty 1), 6 (Qty 1)

1шт.

4

NSS

NOT SOLD SEPARAT

Connector, Incl in 3

1шт.

5

86598102

O-RING,2.2mm Thk x 19.3mm ID, Cl 6, 90 Duro

2шт.

6

9991976

O-RING,0.07" Thk x 0.739" ID, -18, Cl 6, 90 Duro

3шт.

7

47597094

90 ELBOW

ASSY, Incl 8, 9

1шт.

8

NSS

NOT SOLD SEPARAT

Connector, Incl in 7

1шт.

9

9991976

O-RING,0.07" Thk x 0.739" ID, -18, Cl 6, 90 Duro

1шт.

10

5185513

O-RING,1.78mm Thk x 18.77mm ID, 85 Duro

1шт.

11

84417269

SPACER

4шт.

12

NSS

NOT SOLD SEPARAT

Pipe, Incl in 2

1шт.

13

NSS

NOT SOLD SEPARAT

Elbow, Incl in 18

1шт.

14

10902521

SCREW,Hex, M6 x 22mm, Cl 8.8, Full Thd

2шт.

15

11194379

BELLEVILLE WASHER,M6 Bolt Size x 12mm OD

1шт.

16

84591659

CLAMP

1шт.

17

5179404

SUPPORT

1шт.

18

86579697

ELBOW,90 Degree, 1-3/16"-12 ORFS x M27 x 2.0 ORB

ASSY, Incl 6 (Qty 1), 19, 20

2шт.

19

NSS

NOT SOLD SEPARAT

Elbow, Incl in 18

1шт.

20

86598103

O-RING,2.9mm Thk x 23.6mm ID, Cl 6, 90 Duro

1шт.

21

47663312

BLOCK

1шт.

22

86579695

90 ELBOW,90 Degree, 1-3/16"-12 ORFS x M22 x 1.5 ORB

ASSY, Incl 5 (Qty 1), 6 (Qty 1), 13

1шт.

23

47647306

PIPE

Delivery from T-connector to MMV

1шт.

24

47914502

SPACER,Hex, M18 x 1.5 x 95.5mm L

1шт.

25

87665417

SEAL,18.1mm ID x 28mm OD x 2.5mm Thk

1шт.

Выбрано товаров: 25