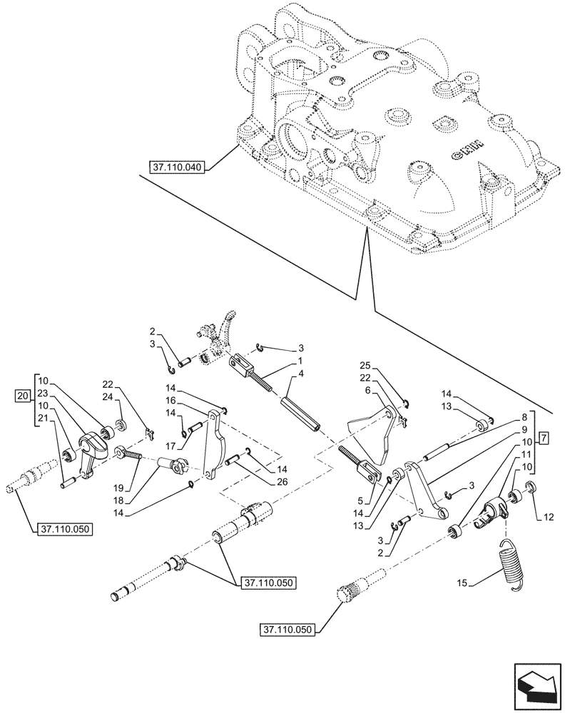
Запчасти Case IH FARMALL 100N (37.110.070) - VAR - 342377, 342378, 342379, 342380, 342381, 744833, 759013 - REAR, HYDRAULIC LIFT, CONTROL LEVER, W/ LIFT-O-MATIC PLUS (37) - HITCHES, DRAWBARS & IMPLEMENT COUPLINGS

Схема запчастей Case IH FARMALL 100N - (37.110.070) - VAR - 342377, 342378, 342379, 342380, 342381, 744833, 759013 - REAR, HYDRAULIC LIFT, CONTROL LEVER, W/ LIFT-O-MATIC PLUS (37) - HITCHES, DRAWBARS & IMPLEMENT COUPLINGS
37.110.050
26
17
25
16
10
14
14
19
8
24
4
10
7
12
9
2
14
14
2
20
5
14
10
11
15
23
22
21
3
3
10
14
13
3
1
13
22
18
6
3
37.110.040
37.110.050
37.110.050
FIT
1:1
100%

Артикул

Название

Примечание

Количество

1

11990774

YOKE,M8 (LH) x 8mm Hole Dia x 90mm L

1шт.

2

10249270

PIN,8mm OD x 22mm L

2шт.

3

11087974

CIRCLIP,Ext., M8, DAC

4шт.

4

10092511

NUT,Adjusting, M8 x 1.25 x 80mm

1шт.

5

10008974

CLEVIS,M8 x 8mm Hole Dia x 90mm L

1шт.

6

5117143

LEVER

1шт.

7

5173357

ARM

ASSY, Incl 8, 9, 10 (Qty 2), 11

1шт.

8

5173361

PIN,8mm OD x 53mm L

1шт.

9

5150257

LEVER

1шт.

10

5109160

ROLLER BEARING,Needle, 14mm ID x 20mm OD x 12mm W

4шт.

11

NSS

NOT SOLD SEPARAT

Control Link, Incl in 7

1шт.

12

5116251

SPACER,14.1mm ID x 19mm OD x 5mm L

1шт.

13

5111028

ROLLER,18mm OD x 10mm L

2шт.

14

11065676

SNAP RING,M8, Ext

6шт.

15

5148884

SPRING,Extension, 28mm OD x 84mm L

1шт.

16

5122497

LEVER

1шт.

17

5113008

PIN,8mm OD x 26mm L

1шт.

18

5173352

CLEVIS,M8 x 1

1шт.

19

5136355

TIE-ROD,M8 x 1, 48mm L

1шт.

20

5193911

LEVER

ASSY, Incl 10 (Qty 2), 21, 23

1шт.

21

5117137

PIN,8mm OD x 29mm L

1шт.

22

11064076

CLIP,M8 x 5 x 0.94mm

2шт.

23

5193910

LEVER

1шт.

24

5143634

SPACER,11.2mm ID x 19mm OD x 5mmL

1шт.

25

11065976

CIRCLIP,M10, Ext

1шт.

26

5117161

PIN,8mm OD x 27mm L

1шт.

Выбрано товаров: 0