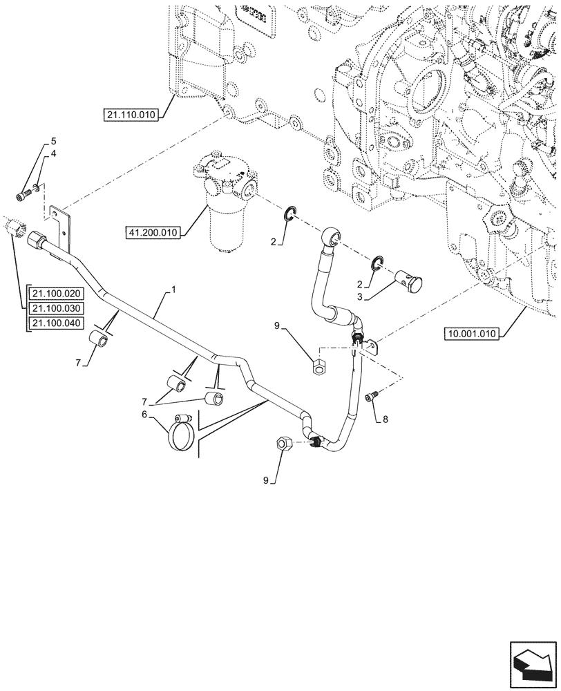
Запчасти Case IH FARMALL 100N (41.200.020) - VAR - 341491, 341846, 341847, 743523, 744833, 759011 - OIL FILTER, STEERING, LINES (41) - STEERING

Схема запчастей Case IH FARMALL 100N - (41.200.020) - VAR - 341491, 341846, 341847, 743523, 744833, 759011 - OIL FILTER, STEERING, LINES (41) - STEERING
10.001.010
4
1
5
7
2
8
9
6
7
2
3
9
21.110.010
41.200.010
21.100.030
21.100.040
21.100.020
FIT
1:1
100%

Артикул

Название

Примечание

Количество

1

47781946

PIPE

from Lube Filter to Tee Fitting

1шт.

2

87332142

SEAL,23.5mm ID x 30mm OD x 1.5mm Thk

2шт.

3

5182095

BANJO BOLT,M22 x 1.5 x 47mm

1шт.

4

14499401

WASHER,8.4mm ID x 14mm OD x 1.6mm Thk

2шт.

5

14359221

HEX SOC SCREW,M8 x 22mm, Cl 8.8, Full Thd

1шт.

6

45014

HOSE CLAMP,2.06” - 3” , Worm Gear

1шт.

7

47389651

SPACER,16mm ID x 23mm OD x 25mm L

3шт.

8

14306231

HEX SOC SCREW,M8 x 1.25 x 16mm, Cl 10.9, Full Thd

1шт.

9

9625546

CAP,11/16" - 16 ORFS

2шт.

Выбрано товаров: 9