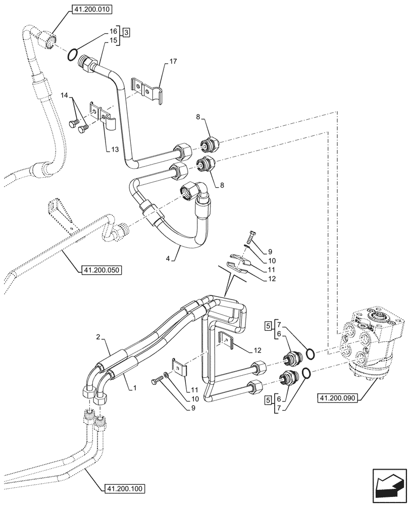
Запчасти Case IH FARMALL 100N (41.200.140) - VAR - 342264, 342265, 342266, 342267, 743524, 759011 - STEERING VALVE, LINE (41) - STEERING

Схема запчастей Case IH FARMALL 100N - (41.200.140) - VAR - 342264, 342265, 342266, 342267, 743524, 759011 - STEERING VALVE, LINE (41) - STEERING
6
15
10
2
6
41.200.090
14
3
7
16
13
5
12
9
41.200.050
11
17
8
11
9
41.200.010
4
41.200.100
5
10
8
1
12
7
FIT
1:1
100%

Артикул

Название

Примечание

Количество

1

47792923

PIPE

from Steering Valve to RH Steering Cylinder

1шт.

2

47792925

PIPE

from Steering Valve to LH Steering Cylinder

1шт.

3

47929891

PIPE

ASSY, Return to Steering, Incl 15, 16

1шт.

4

47939298

PIPE

Delivery for Steering

1шт.

5

5198413

HYD CONNECTOR,1/2" BSPP A13/16"-16"

ASSY, Incl 6, 7

2шт.

6

NSS

NOT SOLD SEPARAT

Connector, Incl in 5

2шт.

7

5185511

O-RING,1.78mm Thk x 12.42mm ID, 85 Duro

2шт.

8

84316432

HYD CONNECTOR,Straight, 1"-14" ORFS, 1/2"-14" BSPP ORB

2шт.

9

10902521

SCREW,Hex, M6 x 22mm, Cl 8.8, Full Thd

1шт.

10

11197774

BELLEVILLE WASHER,M6 Bolt Size x 12mm OD x 1.2mm Thk

3шт.

11

5193550

CLAMP,6.5mm ID

1шт.

12

5193549

CLAMP,6mm ID x 25mm Thk x 32mm L

1шт.

13

87558463

RETAINER COLLAR,2x6mm ID x 4mm Thk

1шт.

14

10902624

SCREW,Hex, M6 x 25mm, Cl 8.8, Full Thd

1шт.

15

NSS

NOT SOLD SEPARAT

Pipe, Incl in 3

1шт.

16

5185512

O-RING,0.07" Thk x 0.614" ID, -16, Cl 6, 90 Duro

1шт.

17

87558474

RETAINER COLLAR,2x6.5mm ID

1шт.

Выбрано товаров: 0