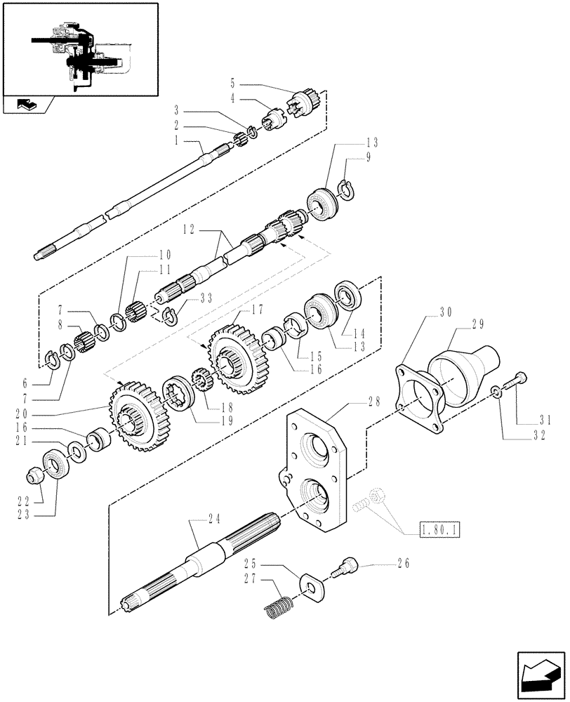
Запчасти Case IH FARMALL 105N (1.80.1/02[01]) - POWER TAKE-OFF (540-540E RPM) WITH GROUND SPEED - SHAFTS AND GEARS (VAR.330804 / 743519) (07) - HYDRAULIC SYSTEM

Схема запчастей Case IH FARMALL 105N - (1.80.1/02[01]) - POWER TAKE-OFF (540-540E RPM) WITH GROUND SPEED - SHAFTS AND GEARS (VAR.330804 / 743519) (07) - HYDRAULIC SYSTEM
home
32
12
15
27
14
11
19
21
10
5
16
6
8
7
7
1.80.1
25
1
13
22
3
33
18
2
26
13
31
16
28
24
17
30
9
23
20
4
29
FIT
1:1
100%

Артикул

Название

Примечание

Количество

1

5177146

SHAFT

1шт.

2

5103238

NEEDLE BEARING,15mm ID x 21mm OD x 16mm W

1шт.

3

11067276

SNAP RING,M24, Ext

1шт.

4

5172083

COUPLING,10T

1шт.

5

5183818

SPLINED COUPLING,38mm ID x 71mm OD x 48.5mm L

1шт.

6

13398776

SNAP RING,M35, Int

1шт.

7

5173213

SNAP RING,1.5mm Thk, Int

2шт.

8

5173212

NEEDLE BEARING,Needle, 37mm ID x 52mm OD x 22mm W

37 x 52 x 22

1шт.

9

370006

SNAP RING,M40, Ext

1шт.

10

5142178

SNAP RING,1.5mm Thk

1шт.

11

5173210

NEEDLE BEARING,Needle, 43mm ID x 58mm OD x 22mm W

43 x 58 x 22

1шт.

12

5180611

SHAFT,556.5mm

540/540E RPM

1шт.

13

5168238

BALL BEARING,40mm ID x 90mm OD x 23mm W

2шт.

14

5124606

SEAL,50mm ID x 65mm OD x 8mm Thk

50 x 65 x 8

1шт.

15

5124675

THRUST WASHER,38.1mm ID x 56mm OD x 4mm Thk

1шт.

16

5124668

BUSHING,38mm ID x 46mm OD x 28mm L

2шт.

17

84478101

GEAR,52T

540 RPM

1шт.

18

5130550

PINION,28T / 12T

1шт.

19

5130551

SLEEVE,70mm ID x 100mm OD x 20mm L

1шт.

20

84478100

GEAR,54T

540E RPM

1шт.

21

5168181

THRUST WASHER,35.1mm ID x 50mm OD x 4mm Thk

2шт.

22

5122985

NUT,Ring, M32, 1.5 Pitch

1шт.

23

20045200

BALL BEARING,35mm ID x 80mm OD x 21mm

1шт.

24

5180296

SHAFT,M32 x 1.5 x 264.5mm L, 12T

1шт.

25

47131175

BRAKE DISC,14mm ID x 70mm OD x 4mm Thk

1шт.

26

47130774

PIN,13.5mm OD x 22mm L

1шт.

27

47132279

SPRING,Compression, 33mm OD x 29mm L

1шт.

28

47133661

COVER

1шт.

29

5171520

SHIELD,132mm L

1шт.

30

5155332

SEAL PROTECTION,115mm ID x 122mm OD x 29mm Thk

1шт.

31

13543624

STUD,M8 x 1.25 x 46mm L, 22 Thd, Cl 8.8

4шт.

32

16100811

NUT,Hex, M8, 6.80mm, Cl 8, ZND

4шт.

33

11068976

SNAP RING,M42, Ext

2шт.

Выбрано товаров: 33