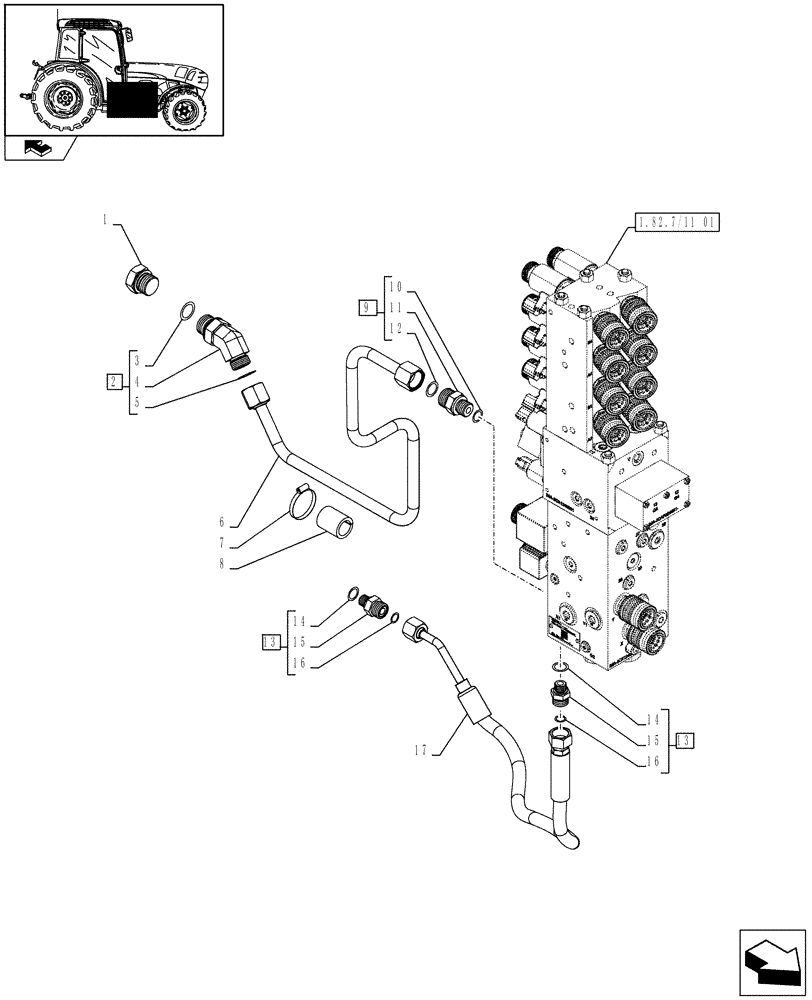
Запчасти Case IH FARMALL 105N (1.82.1/06) - ELECTRONIC MID MOUNTED VALVES - PIPES (07) - HYDRAULIC SYSTEM

Схема запчастей Case IH FARMALL 105N - (1.82.1/06) - ELECTRONIC MID MOUNTED VALVES - PIPES (07) - HYDRAULIC SYSTEM
5
6
1
9
13
8
14
10
14
4
15
3
16
7
2
home
11
15
12
17
1.82.7/11 01
13
16
FIT
1:1
100%

Артикул

Название

Примечание

Количество

1

87773529

PLUG,Hex, M22 x 1.5

1шт.

2

47130551

45 ELBOW

ASSY, Incl 3-5

1шт.

3

14438085

O-RING,19.3mm ID x 2.4mm

1шт.

4

NSS

NOT SOLD SEPARAT

1шт.

5

5185511

O-RING,1.78mm Thk x 12.42mm ID, 85 Duro

1шт.

6

84549385

TUBE

Delivery

1шт.

7

13000990

COLLAR,60mm - 80mm, Worm Gear

1шт.

8

4959735

SPACER,18mm ID x 25mm OD x 30mm L

1шт.

9

86579675

HYD CONNECTOR,13/16"-16 ORFS x M16 x 1.5 ORB

ASSY, Incl 10-12

1шт.

10

9992298

O-RING,0.07" Thk x 0.489" ID, -14, Cl 6, 90 Duro

1шт.

11

NSS

NOT SOLD SEPARAT

1шт.

12

86598100

O-RING,2.2mm Thk x 13.3mm ID, Cl 6, 90 Duro

1шт.

13

86580177

HYD CONNECTOR,11/16"-16 ORFS x M12 x 1.5 ORB

ASSY, Incl 14-16

2шт.

14

9993141

O-RING,0.07" Thk x 0.364" ID, -12, Cl 6, 90 Duro

2шт.

15

NSS

NOT SOLD SEPARAT

2шт.

16

86598098

O-RING,2.2mm Thk x 9.3mm ID, Cl 6, 90 Duro

2шт.

17

84549395

HYDRAULIC HOSE

From MMV to Front HPL

1шт.

Выбрано товаров: 17