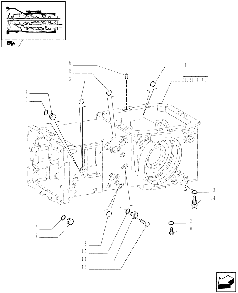
Запчасти Case IH FARMALL 105N (1.21.0[03]) - REAR TRANSMISSION BOX CAPS AND COVERS (03) - TRANSMISSION

Схема запчастей Case IH FARMALL 105N - (1.21.0[03]) - REAR TRANSMISSION BOX CAPS AND COVERS (03) - TRANSMISSION
home
10
2
16
4
13
9
12
1
5
1.21.0 01
6
7
15
14
11
3
8
FIT
1:1
100%

Артикул

Название

Примечание

Количество

1

14329101

PLUG,M30, Tapered

2шт.

2

14328701

PLUG,M20, Tapered

1шт.

3

14328601

PLUG,M18, Tapered

75N, 85N, 95N

1шт.

4

10300611

PLUG,M14 x 1.5 x 14, Cl5.8

, Serial Range: -`0

1шт.

QTY 3 for 65V, 75V, 85V, 95V Models; QTY 4 for 75N, 85N, 95N Models

1шт.

5

10261160

SEALING WASHER,M14.2 x 18 x 1.5, Copper

1шт.

6

5186176

SEALING WASHER,15.80mm ID x 26.92mm OD x 1.50mm, Steel, Zinc

75N, 85N, 95N

1шт.

7

10300714

PLUG,M16 x 1.5 x 14

1шт.

8

5194489

SCREW,M8 x 8mm, Cl 8.8

5шт.

9

14328201

PLUG,M10, Tapered

2шт.

10

10119414

PLUG,M18 x 1.5 x 16

1шт.

11

5171837

PLUG,17.3mm ID x 42mm OD x 7.5mm Thk

L/CAB

1шт.

12

14437985

O-RING,15.3mm ID x 2.4mm

1шт.

13

10263460

SEAL,22.3mm ID x 28mm OD x 1.5mm Thk

2шт.

14

5118991

PLUG,M22 x 1.5

M22

2шт.

15

14453280

O-RING,0.07" Thk x 0.551" ID, -15, Cl 5, 75 Duro

65V, 75V, 85V, 95V

1шт.

16

10977524

BOLT,Hex, M5 x 10mm, Cl 8.8, Full Thd

65V, 75V, 85V, 95V

2шт.

Выбрано товаров: 17