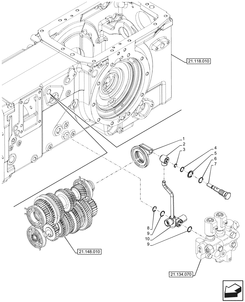
Запчасти Case IH FARMALL 110N (21.100.070) - INTERNAL, TRANSMISSION LUBRICATION LINE, REVERSER (21) - TRANSMISSION

Схема запчастей Case IH FARMALL 110N - (21.100.070) - INTERNAL, TRANSMISSION LUBRICATION LINE, REVERSER (21) - TRANSMISSION
21.148.010
2
10
8
5
4
9
21.134.070
3
6
7
9
1
21.118.010
FIT
1:1
100%

Артикул

Название

Примечание

Количество

1

5183609

MANIFOLD

1шт.

2

5177779

HYD CONNECTOR,23mm ID x 28mm OD x 29mm Thk

1шт.

3

14453080

O-RING,0.426" ID x 0.07"

1шт.

4

14457280

O-RING,0.103" Thk x 0.612" ID, -114, Cl 5, 75 Duro

2шт.

5

87332142

SEAL,23.5mm ID x 30mm OD x 1.5mm Thk

1шт.

6

5103230

O-RING,2.62mm Thk x 11.91mm ID

1шт.

7

5173804

BOLT,Hex, M22 x 1.5 x 113mm L

Reverser Lubrication

1шт.

8

11066676

SNAP RING,M18, Ext

1шт.

9

14457480

O-RING,18.72mm ID x 2.62mm Thk , -116, Cl 5

2шт.

10

5180976

RIGID TUBE

Inverter Lubrication

1шт.

Выбрано товаров: 10